Топливный насос высокого давления не подлежит ремонту или переборке. При нарушении нормального функционирования насоса он подлежит замене. Устанавливаются топливные насосы высокого давления Roto-Diesel (Lucas—CAV) или Bosch.
Регулировка, а также снятие и установка топливного насоса высокого давления требуют наличия специального инструмента и не следует пытаться выполнять эти работы при отсутствии такого инструмента. Ниже приводится описание работ, выполняемых только при наличии специального инструмента.
Дизельные двигатели работают или с непосредственным впрыскиванием, или с впрыскиванием топлива во впускной коллектор или в форкамеру. На дизельном двигателе Peugeot топливо впрыскивается в форкамеру в головке цилиндров, связанную с основной камерой сгорания. Возгорание топлива начинается в форкамере и под действием возрастающего давления горящие частицы топлива поступают в основную камеру сгорания, где происходит их полное сгорание.
С развитием дизельных двигателей появились некоторые нововведения, о которых следует коротко упомянуть.
Топливный фильтр и подогрев топлива: Фильтрация и подогрев топлива являются функциями двигателя. Топливо подогревается охлаждающей жидкостью, протекающей по каналам 8 штуцере системы охлаждения. Термостатический элемент, показанный на рисунке 402, регулирует количество подогреваемого топлива. Степень подогрева зависит от окружающей температуры. При температурах ниже 15°C термостатический элемент перемещается со своего места "а". При этом топливо может поступать через отверстие "с", протекать через "d", подогревается водяным штуцером и затем поступает к фильтру через отверстия "e" и "b". При повышении температуры до значений от 15°C до 35°C клапан термостата открыт не полностью. При этом по описанному пути в фильтр поступает только часть топлива. Остальное топливо подается в фильтр прямо через "с" к "b".
Рис. 402. Разрез топливного фильтра и устройства подогрева топлива. Ссылки на буквенные обозначения приводятся в тексте. 1. Термостатический элемент; 2. Клапан удаления воздуха; 3. Топливный фильтр
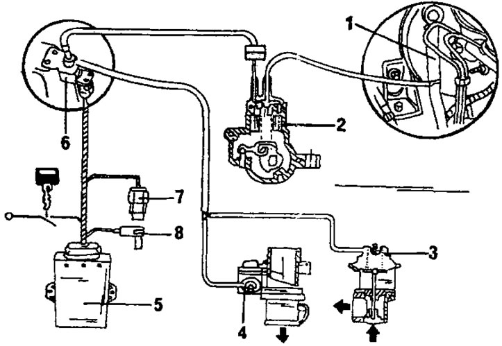
Рис. 403. Схема системы рециркуляции отработавших газов (EGR). 1. Шланг гидроусилителя тормозной системы; 2. Преобразователь разрежения; 3. Клапан EGR; 4. Клапан потока; 5. Электронный блок управления; 6. Электромагнитный клапан; 7. Датчик температуры охлаждающей жидкости; 8. Датчик числа оборотов двигателя
Контур питания имеет устройство автоматического удаления воздуха. С этой целью устанавливается клапан удаления воздуха.
Система рециркуляции отработавших газов (EGR): Эта система устанавливается на автомобилях, оборудованных катализатором. Система снижает выброс в атмосферу вредных веществ, отводя часть отработавших газов обратно во впускную воздушную систему. Рециркуляция отработавших газов происходит при определенных условиях, то есть в зависимости от температуры охлаждающей жидкости двигателя, числа оборотов двигателя и положения педали газа. От двух датчиков температуры (7) и числа оборотов (8) информация поступает на электронный блок управления (5) для регулирования процесса рециркуляции. Рециркуляция отработавших газов происходит, если температура двигателя выше 48°C и его обороты находятся в пределах 1500—2000 об/мин. Блок управления открывает электромагнитный клапан (6), управляющий всей системой. Разрежение, снимаемое с гидроусилителя тормозной системы, действует на клапан EGR (3) и клапан потока на корпусе дроссельной заслонки (4), что обеспечивает сгорание отработавших газов.
Самое высокое разрежение достигается при низких оборотах. Клапан EGR открыт, что обеспечивает поступление отработавших газов в трубу впускного коллектора. Циркуляция отработавших газов поддерживается разностью давления в трубе впускного коллектора и в выпускном коллекторе, которая определятся положением клапана потока в корпусе дроссельной заслонки,то есть этот клапан почти закрыт.
Как только происходит увеличение числа оборотов двигателя, рабочее разрежение снижается и под воздействием возвратной пружины клапан EGR закрывается, во подача отработавших газов во впускную систему прекращается. Одновременно при этом открывается дроссельная заслонка, так что количество всасываемого воздуха увеличивается.
Датчик числа оборотов: Он установлен в картере двигателя и выдает сигнал в электронный блок управления при числе оборотов двигателя от 1500 до 2000 об/мин, что вызывает рециркуляцию отработавших газов.
Температурный выключатель охлаждающей жидкости: Выключатель расположен в выпускном штуцере системы охлаждения (А, Рис. 397) и выдает информацию на электронный блок управления при температуре выше 48°C, что вызывает рециркуляцию отработавших газов.
Электромагнитный клапан: Клапан управляется от электронного блока управления и регулирует подачу отработавших газов к клапану EGR и к клапану потока в корпусе дроссельной заслонки.
(Статья основана на материале сайта: PeugeotBook)
Клапан EGR: Клапан EGR установлен на впускном коллекторе и регули рует отвод отработавших газов. Управляющее разрежение воздействует на верхнюю камеру клапана. При этом происходит перемещение мембраны, что вызывает частичное или полное открытие клапана и отвод отработавших газов в трубу впускного коллектора. При отсутствии разрежения клапан удерживается в своем положении пружиной.
Клапан потока: расположен в корпусе дроссельной заслонки и работает совместно с клапаном EGR. Клапан управляется вакуумной коробкой, которая работает противоположно клапану EGR, то есть когда клапан закрыт, дроссельная заслонка открыта. Клапан имеет две функции:
Он регулирует соотношение воздуха и отработавших газов.
В режиме холостого хода или при малой нагрузке клапан полностью открыт. Если дроссельная заслонка почти закрыта, возникает разность давления, которое ускоряет поток отработавших газов к трубе впускного коллектора. Топливный насос высокого давления имеет преобразователь разрежения (2). Он управляется через тяги от рычага газа. Преобразователь преобразует соотношение нагрузки, определяемое по положению рычага газа в сигнал разрежения. Максимальное разрежение достигается при нахождении рычага в положении холостого хода.
