Български Русский
English
Беларускі
Український
Српски
Hrvatski
Română
Polski
Slovenský
Magyar
Към отметки Статии Карта Контакти
Компания Hyundai Компания Opel Компания Skoda Компания Kia Компания Mitsubishi Компания LADA Компания Audi
PeugeotBook.ru
 
 
 
 
 
 
 
Серия 100   Серия 200   Серия 300   400-500   Серия 600   Кросоувъри   Друго
 
Peugeot 305 (1977-1989) Peugeot 306 (1993-2002) Peugeot 307 (2001-2008)

Електрическа схема на осветлението на арматурното табло, запалките и превключвателите (Peugeot 306)

  • Главна
  • 30X
  • Peugeot 306 (1993-2002)
  • Електрическо оборудване
  • Електрически схеми
  • Електрическа схема на осветлението на арматурното табло, зап…
0

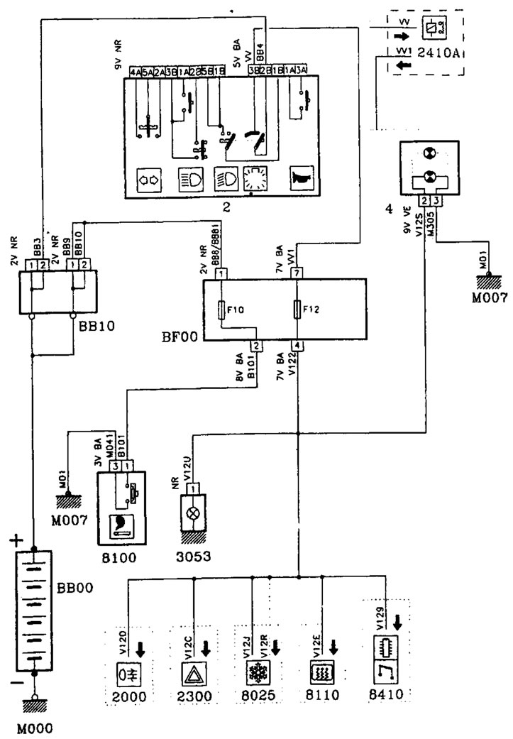
Електрическа схема на осветлението на арматурното табло, запалките и превключвателите



Електрическа схема на осветлението на арматурното табло, запалките и превключвателите


Конвенционални символи на електрически вериги тук →
Тази статия е достъпна на руски, английски, беларуски, украински, сръбски, хърватски, румънски, полски, словашки, унгарски
Статията е прегледана от редактора: Широков Арсений
Сподели информация:
Предишна
Peugeot 306: Електрически схеми
Следващия

Схема на свързване на вътрешното осветление / таванни светлини…
Схема на свързване на вътрешното осветление
Схема на свързване на вътрешното осветление със закъснение във…
Схема на свързване на светлините за паркиране
Електрическа верига за къси/дълги светлини, без реле за къси…
Електрическа верига на звуковите сигнали
Схема на свързване на светлината на жабката
Електрическа схема на стоп-сигнали и светлини заден ход
Схема на свързване за осветление на багажното отделение
Схема на свързване на измивачката на фаровете
Електрическа верига за измерване на нивото и налягането на…
Схема на електрическата верига за измерване на износването на…
Вижте подобна информация за други модели на Peugeot

➨ Компоненти на арматурното табло — отстраняване и повторно… Пежо 106 (1991-2003)
➨ Дисплей с течни кристали на арматурното табло Пежо 207 (2006-2014)
➨ Елементи на арматурното табло — отстраняване Пежо 405 (1987-1997)
➨ Схема 9. Арматурно табло Пежо 605 (1989-2000)
➨ Осветление на арматурното табло и запалката. Осветление на… Пежо 806 (1994-2002)
Връзка към тази статия в различни формати
Коментари и отзиви от посетители
Без коментари все още


Добавете две числа 44 + 27

       



Peugeot 307 (2001-2008) 
  • Ръководство за работа
  • Ключове, врати и аларма
  • Органи за управление
  • Шофиране и работа
  • Поддръжка
  • Силовия агрегат
  • Бензинови двигатели TU3 и TU5
  • Бензинови двигатели EW10
  • Дизелови двигатели DV10
  • Дизелови двигатели DW10
  • Трансмисия
  • Съединител и задвижващи валове
  • Ръчна скоростна кутия
  • Автоматична скоростна кутия
  • Шаси, ходова част
  • Предно окачване
  • Задно окачване
  • Кормилно управление
  • Спирачна система
  • Каросерия и интериор
  • Екстериор (външни елементи)
  • Интериор (вътрешни елементи)
  • Врати, брави и прозорци
  • Отопление и климатизация
  • Електрическо оборудване
  • Оборудване и инструменти
  • Захранващи устройства
  • Въздушни възглавници
  • Схеми на свързване
Peugeot 306 (1993-2002) 
  • Обща информация
  • Въведение в ръководството
  • Спецификации
  • Бензинов двигател
  • Ремонт на двигател
  • Система за смазване
  • Охладителна система
  • Впръскване на гориво
  • Запалителна система
  • Дизелов двигател
  • Ремонт на двигател
  • Система за смазване
  • Охладителна система
  • Впръскване на гориво
  • Трансмисия
  • Съединител
  • Скоростна кутия
  • Задвижващи валове
  • Шаси, ходова част
  • Кормилно управление
  • Предно окачване
  • Задно окачване
  • Спирачна система
  • Електрическо оборудване
  • Захранващи устройства
  • Електрически схеми
Peugeot 305 (1977-1989) 
  • Обща информация
  • Поддръжка
  • Силовия агрегат
  • Бензинови двигатели
  • Дизелови двигатели
  • Охладителна система (бензин)
  • Охладителна система (дизел)
  • Горивна система (бензин)
  • Горивна система (дизел)
  • Запалителна система
  • Трансмисия
  • Съединител
  • Ръчна кутия BB8
  • Ръчна кутия BE1
  • Автоматична кутия ZF4
  • Валове, главини и колела
  • Шаси, ходова част
  • Спирачна система
  • Окачване на автомобила
  • Кормилно управление
  • Каросерия и интериор
  • Екстериор (външни елементи)
  • Интериор (вътрешни елементи)
  • Електрическо оборудване
  • Оборудване и инструменти
  • Светлини и осветление
  • Захранващи устройства
  • Схеми на свързване
  • Схеми на свързване (дизел)
PeugeotBook.ru © 2018–2026 | Мобилна версия | Карта на сайта: EN BG BY UA RS HR RO PL SK HU | Да напиша съобщение | Търсене в сайта | Добавяне към отметки | Собственици на Пежо
106 (1991-2003) | 206 (1998-2012) | 207 (2006-2014) | 305 (1977-1989) | 306 (1993-2002) | 307 (2001-2008) | 405 (1987-1997) | 406 (1995-2004) | 605 (1989-2000) | Partner-I (1996-2008) | Eurovans-806 (1994-2002) |