Български Русский
English
Беларускі
Український
Српски
Hrvatski
Română
Polski
Slovenský
Magyar
Към отметки Статии Карта Контакти
Компания Hyundai Компания Opel Компания Skoda Компания Kia Компания Mitsubishi Компания LADA Компания Audi
PeugeotBook.ru
 
 
 
 
 
 
 
Серия 100   Серия 200   Серия 300   400-500   Серия 600   Кросоувъри   Друго
 
Peugeot 305 (1977-1989) Peugeot 306 (1993-2002) Peugeot 307 (2001-2008)

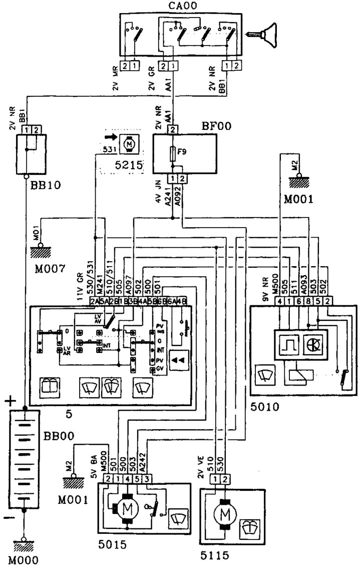
Схема на свързване на чистачките и миещото устройство на предното стъкло (Peugeot 306)

  • Главна
  • 30X
  • Peugeot 306 (1993-2002)
  • Електрическо оборудване
  • Електрически схеми
  • Схема на свързване на чистачките и миещото устройство на пре…
0

Схема на свързване на чистачките и миещото устройство на предното стъкло



Схема на свързване на чистачките и миещото устройство на предното стъкло


Конвенционални символи на електрически вериги тук →
Тази статия е достъпна на руски, английски, беларуски, украински, сръбски, хърватски, румънски, полски, словашки, унгарски
Статията е прегледана от редактора: Широков Арсений
Сподели информация:
Предишна
Peugeot 306: Електрически схеми
Следващия

Схема на електрическата верига за измерване на износването на…
Електрическа верига за измерване на нивото и налягането на…
Схема на свързване на измивачката на фаровете
Схема на свързване за осветление на багажното отделение
Електрическа схема на стоп-сигнали и светлини заден ход
Схема на свързване на светлината на жабката
Схема на свързване на чистачката и измивачката на задното стъкло
Електрическа схема на електрическия прозорец, отпред
Електрическа схема на електрическия повдигач на стъклата, заден
Електрическа схема на централно управлявани брави
Електрическа схема на отопление и вентилация
Схема на окабеляване на отоплението на задното стъкло
Вижте подобна информация за други модели на Peugeot

➨ Двигател на чистачките на предното стъкло и връзка — демонтиране… Пежо 106 (1991-2003)
➨ Течност за миене на предното стъкло Пежо 207 (2006-2014)
➨ Устройство за измиване/чистачка на предното стъкло, клаксон,… Пежо 405 (1987-1997)
➨ Схема 12. Устройство за измиване и чистачка на предното стъкло,… Пежо 605 (1989-2000)
➨ Чистачка и миячка на предното стъкло Пежо 806 (1994-2002)
Връзка към тази статия в различни формати
Коментари и отзиви от посетители
Без коментари все още


Добавете две числа 10 + 40

       



Peugeot 307 (2001-2008) 
  • Ръководство за работа
  • Ключове, врати и аларма
  • Органи за управление
  • Шофиране и работа
  • Поддръжка
  • Силовия агрегат
  • Бензинови двигатели TU3 и TU5
  • Бензинови двигатели EW10
  • Дизелови двигатели DV10
  • Дизелови двигатели DW10
  • Трансмисия
  • Съединител и задвижващи валове
  • Ръчна скоростна кутия
  • Автоматична скоростна кутия
  • Шаси, ходова част
  • Предно окачване
  • Задно окачване
  • Кормилно управление
  • Спирачна система
  • Каросерия и интериор
  • Екстериор (външни елементи)
  • Интериор (вътрешни елементи)
  • Врати, брави и прозорци
  • Отопление и климатизация
  • Електрическо оборудване
  • Оборудване и инструменти
  • Захранващи устройства
  • Въздушни възглавници
  • Схеми на свързване
Peugeot 306 (1993-2002) 
  • Обща информация
  • Въведение в ръководството
  • Спецификации
  • Бензинов двигател
  • Ремонт на двигател
  • Система за смазване
  • Охладителна система
  • Впръскване на гориво
  • Запалителна система
  • Дизелов двигател
  • Ремонт на двигател
  • Система за смазване
  • Охладителна система
  • Впръскване на гориво
  • Трансмисия
  • Съединител
  • Скоростна кутия
  • Задвижващи валове
  • Шаси, ходова част
  • Кормилно управление
  • Предно окачване
  • Задно окачване
  • Спирачна система
  • Електрическо оборудване
  • Захранващи устройства
  • Електрически схеми
Peugeot 305 (1977-1989) 
  • Обща информация
  • Поддръжка
  • Силовия агрегат
  • Бензинови двигатели
  • Дизелови двигатели
  • Охладителна система (бензин)
  • Охладителна система (дизел)
  • Горивна система (бензин)
  • Горивна система (дизел)
  • Запалителна система
  • Трансмисия
  • Съединител
  • Ръчна кутия BB8
  • Ръчна кутия BE1
  • Автоматична кутия ZF4
  • Валове, главини и колела
  • Шаси, ходова част
  • Спирачна система
  • Окачване на автомобила
  • Кормилно управление
  • Каросерия и интериор
  • Екстериор (външни елементи)
  • Интериор (вътрешни елементи)
  • Електрическо оборудване
  • Оборудване и инструменти
  • Светлини и осветление
  • Захранващи устройства
  • Схеми на свързване
  • Схеми на свързване (дизел)
PeugeotBook.ru © 2018–2026 | Мобилна версия | Карта на сайта: EN BG BY UA RS HR RO PL SK HU | Да напиша съобщение | Търсене в сайта | Добавяне към отметки | Собственици на Пежо
106 (1991-2003) | 206 (1998-2012) | 207 (2006-2014) | 305 (1977-1989) | 306 (1993-2002) | 307 (2001-2008) | 405 (1987-1997) | 406 (1995-2004) | 605 (1989-2000) | Partner-I (1996-2008) | Eurovans-806 (1994-2002) |