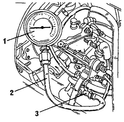
Фигура 396. Свържете манометъра (1), за да следите налягането на маслото. Маркучът (2) и адаптерът (3) трябва да съответстват на диаметъра на манометъра и отвора за свързване на превключвателя за налягане на маслото.
- Загрейте двигателя до работна температура от 80°C.
- Проверете и, ако е необходимо, регулирайте нивото на двигателното масло.
- Оставете двигателя да работи на празен ход за 5 минути, докато вентилаторът на радиатора се изключи.
- Изключете двигателя, откачете кабела от превключвателя за налягане на маслото и развийте превключвателя. Превключвателят се намира под опората на жилото за увеличаване на оборотите на празен ход.
- Завийте адаптера с медната шайба и свържете манометъра.
- Стартирайте двигателя и го оставете да работи на празен ход. При тези скорости показанието на манометъра трябва да бъде 2,0 бара.
- Увеличете оборотите на двигателя до 2000 об/мин и проверете дали налягането на маслото се е увеличило до 3,5 бара.
- Увеличете оборотите на двигателя до 4000 об/мин и проверете дали налягането на маслото се е увеличило до 4,5 бара.
- Горните стойности се отнасят за нов двигател. Ако двигателят има значителен пробег, налягането на маслото на празен ход може да е по-ниско.
- Разкачете манометъра и завийте превключвателя за налягане на маслото с медното уплътнение. Затегнете превключвателя с въртящ момент от 30 Nm.
