Автомобили с бензиновым двигателем
35. Снимите хомуты крепления шлангов к топливному фильтру. На заводе-изготовителе шланги крепятся зажимными хомутами. При замене топливного фильтра можно установить более привычные стяжные хомуты, затягиваемые винтом.
36. Отсоедините топливные шланги от фильтра. На корпусе фильтра имеются стрелки, указывающие направление потока топлива.
37. Снимите прежний топливный фильтр и установите новый. После установки топливного фильтра запустите двигатель и убедитесь, что топливные шланги закреплены герметично.
Внимание! В топливной системе поддерживается определенное давление, а это значит, то при снятии топливного насоса, топливного фильтра, топливных форсунок, топливной распределительной магистрали и регулятора давления, а также при отсоединении шлангов необходимо сбросить давление, чтобы избежать выброса топлива.
Автомобили с дизельным двигателем
Фильтрующий элемент топливного фильтра заменяется в соответствии с пробегом или сроками технического обслуживания. Кроме соответствующей замены сменного фильтрующего элемента, из корпуса топливного фильтра необходимо регулярно сливать конденсат.
38. Отсоедините клемму провода «массы» (-) от аккумулятора.
39. Снимите воздушный фильтр.
40. Установите под топливный фильтр емкость для сбора топлива.
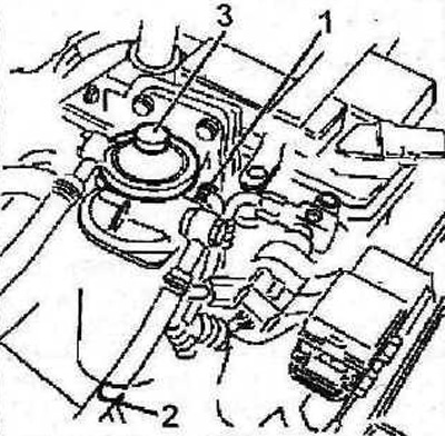
41. Вывинтите пробку 1 вентиляционного отверстия рядом с крышкой топливного фильтра (см. иллюстрацию).
5.41 Вывинтите пробку 1 вентиляционного отверстия рядом с крышкой топливного фильтра. Автомобили с дизельным двигателем DK5ATE
42. Вывинтите пробку 2 сливного отверстия на корпусе фильтра и слейте конденсат в подставленную емкость (см. иллюстрацию 5.41).
43. Вывинтите болты крепления крышки топливного фильтра и снимите крышку.
44. Извлеките фильтрующий элемент из корпуса фильтра вместе с уплотнительным кольцом.
45. Почистите корпус топливного фильтра и установите новый сменный фильтрующий элемент.
46. 3акройте корпус фильтра крышкой и затяните болты крепления крышки.
47. Ввинтите пробку сливного отверстия в нижней части корпуса топливного фильтра.
48. Поставьте на место воздушный фильтр и подсоедините клемму провода «массы» (-) к аккумулятору.
49. Удалите воздух из топливной системы.
Внимание. Воздух из топливной системы необходимо удалять в тех случаях, когда производилось вскрытие системы.
Для удаления воздуха вывинтите пробку отверстия для слива конденсата
50. Выполните прокачку системы, надавив примерно 20 раз на рычаг ручной подкачки топлива, пока из фильтра не пойдет чистое топливо, без пузырьков воздуха.
51. Ввинтите пробку сливного отверстия, запустите двигатель и оставьте его работать на холостом ходу до тех пор, пока работа двигателя не стабилизируется.
52. Заглушите двигатель, а затем запустите вновь. Оставьте двигатель работать на холостом ходу и на педаль акселератора не нажимайте, чтобы убедиться, что воздух из топливной системы был удален полностью.
Внимание! Если замена фильтра выполнялась в мастерской, то к диагностическому разъему можно подсоединить тестер и считать коды неисправностей.
