Русский English
Български
Беларускі
Український
Српски
Hrvatski
Română
Polski
Slovenský
Magyar
В закладки Статьи Карта Контакты
Компания Hyundai Компания Opel Компания Skoda Компания Kia Компания Mitsubishi Компания LADA Компания Audi
PeugeotBook.ru
 
 
 
 
 
 
 
Серия 100   Серия 200   Серия 300   400-500   Серия 600   Кроссоверы   Другие
 
Пежо 305 (1977-1989) Пежо 306 (1993-2002) Пежо 307 (2001-2008)

Электрическая схема электрического стеклоподъемника, переднего (Peugeot 306)

  • Главная
  • 30X
  • Пежо 306 (1993-2002)
  • Электрооборудование
  • Электрические схемы
  • Электрическая схема электрического стеклоподъемника, передне…
0

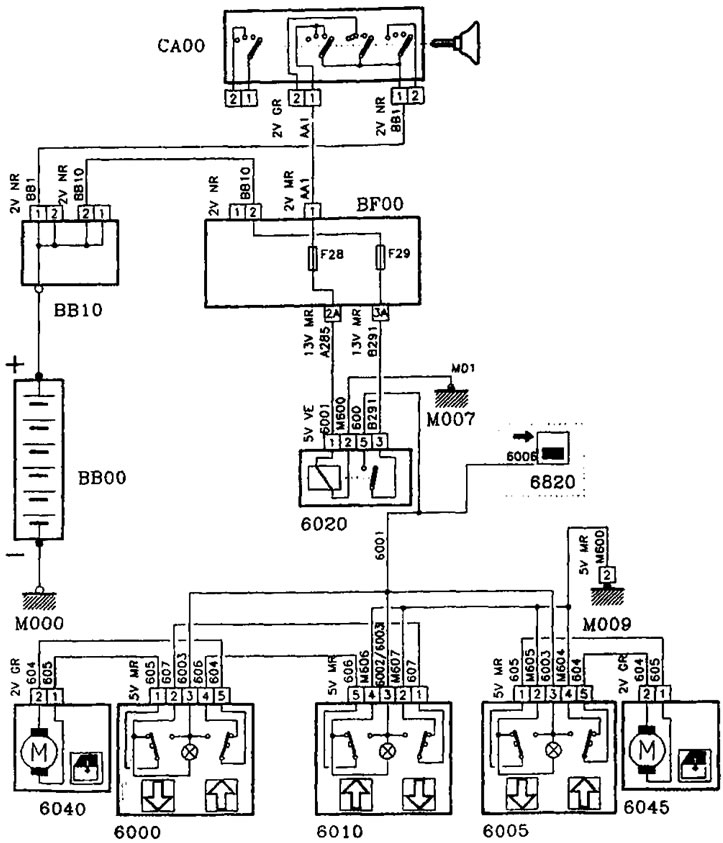
Электрическая схема электрического стеклоподъемника, переднего



Электрическая схема электрического стеклоподъемника, переднего


Условные обозначения на электрических схемах здесь →

(Оригинал опубликован на портале: www.peugeotbook.ru)
Эта статья доступна на английском, болгарском, белорусском, украинском, сербском, хорватском, румынском, польском, словацком, венгерском
Статья проверена редактором: Широков Арсений
Поделитесь информацией:
Предыдущие
Пежо 306: Электрические схемы
Следующие

Электрическая схема заднего стеклоочистителя и заднего…
Электрическая схема стеклоочистителя и стеклоомывателя
Электрическая схема измерения износа тормозных колодок
Электрическая схема измерения уровня и давления масла в двигателе
Электрическая схема фароочистителя
Электрическая схема освещения багажного отсека
Электрическая схема электрического стеклоподъемника, заднего
Электрическая схема замков с центральным управлением
Электрическая схема отопления и вентиляции
Электрическая схема обогрева заднего стекла
Электрическая схема обогрева наружных зеркал
Электрическая схема привода наружных зеркал
Смотрите схожую информацию других моделей Пежо

➨ Электрическая система кузова — характеристики Пежо 106 (1991-2003)
➨ Узел электрического вентилятора Пежо 207 (2006-2014)
➨ Замена переднего подшипника ступицы Пежо 405 (1987-1997)
➨ Электрическая система — общее описание и меры предосторожности Пежо 605 (1989-2000)
➨ Ступица переднего колеса и подшипник ступицы — снятие Пежо 806 (1994-2002)
Ссылка на эту статью в разных форматах
Комментарии и отзывы посетителей
Комментариев пока нет


Сложите два числа 23 + 45

       



Пежо 307 (2001-2008) 
  • Руководство по эксплуатации
  • Ключи, двери и сигнализация
  • Органы управления и приборы
  • Вождение и эксплуатация
  • Техническое обслуживание
  • Силовой агрегат
  • Бензиновые двигатели TU3 и TU5
  • Бензиновые двигатели EW10
  • Дизельные двигатели DV10
  • Дизельные двигатели DW10
  • Трансмиссия
  • Сцепление и приводные валы
  • Механическая коробка
  • Автоматическая коробка
  • Шасси, ходовая часть
  • Передняя подвеска
  • Задняя подвеска
  • Рулевое управление
  • Тормозная система
  • Кузов и салон
  • Экстерьер (наружные элементы)
  • Интерьер (внутренние элементы)
  • Двери, замки и окна
  • Отопление и кондиционер
  • Электрооборудование
  • Оборудование и приборы
  • Силовые устройства
  • Подушки безопасности
  • Электрические схемы
Пежо 306 (1993-2002) 
  • Общая информация
  • Введение в руководство
  • Спецификации
  • Бензиновый двигатель
  • Ремонт двигателей
  • Система смазки
  • Система охлаждения
  • Впрыск топлива
  • Система зажигания
  • Дизельный двигатель
  • Ремонт двигателей
  • Система смазки
  • Система охлаждения
  • Впрыск топлива
  • Трансмиссия
  • Сцепление
  • Коробка передач
  • Приводные валы
  • Шасси, ходовая часть
  • Рулевое управление
  • Передняя подвеска
  • Задняя подвеска
  • Тормозная система
  • Электрооборудование
  • Силовые устройства
  • Электрические схемы
Пежо 305 (1977-1989) 
  • Общая информация
  • Техническое обслуживание
  • Силовой агрегат
  • Бензиновые двигатели
  • Дизельные двигатели
  • Система охлаждения (бензин)
  • Система охлаждения (дизель)
  • Топливная система (бензин)
  • Топливная система (дизель)
  • Система зажигания
  • Трансмиссия
  • Сцепление
  • Механическая коробка BB8
  • Механическая коробка BE1
  • Автоматическая коробка ZF4
  • Валы, ступицы и колеса
  • Шасси, ходовая часть
  • Тормозная система
  • Подвеска автомобиля
  • Рулевое управление
  • Кузов и салон
  • Экстерьер (наружные элементы)
  • Интерьер (внутренние элементы)
  • Электрооборудование
  • Оборудование и приборы
  • Фары и освещение
  • Силовые устройства
  • Электрические схемы
  • Электрические схемы (дизель)
Автомобильный анекдот
показать ещё
PeugeotBook.ru © 2018–2026 | Мобильная версия | Карта сайта: EN BG BY UA RS HR RO PL SK HU | Написать сообщение | Поиск по сайту | Добавить в закладки | Владельцам Пежо
106 (1991-2003) | 206 (1998-2012) | 207 (2006-2014) | 305 (1977-1989) | 306 (1993-2002) | 307 (2001-2008) | 405 (1987-1997) | 406 (1995-2004) | 605 (1989-2000) | Partner-I (1996-2008) | Eurovans-806 (1994-2002) | Автоновости о Пежо | Ремонт легковых автомобилей | Устройство двигателей | Освещение и сигнализация | Электроприводы автомобилей
Для корректного отображения страниц на сайте применяются файлы cookie.