Български Русский
English
Беларускі
Український
Српски
Hrvatski
Română
Polski
Slovenský
Magyar
Към отметки Статии Карта Контакти
Компания Hyundai Компания Opel Компания Skoda Компания Kia Компания Mitsubishi Компания LADA Компания Audi
PeugeotBook.ru
 
 
 
 
 
 
 
Серия 100   Серия 200   Серия 300   400-500   Серия 600   Кросоувъри   Друго
 
Peugeot 405 (1987-1997) Peugeot 406 (1995-2004)

Осветление на запалка, отопляеми седалки, задно стъкло и огледала, люк (Peugeot 406)

  • Главна
  • 40X
  • Peugeot 406 (1995-2004)
  • Електрическо оборудване
  • Схеми на свързване
  • Осветление на запалка, отопляеми седалки, задно стъкло и огл…
0

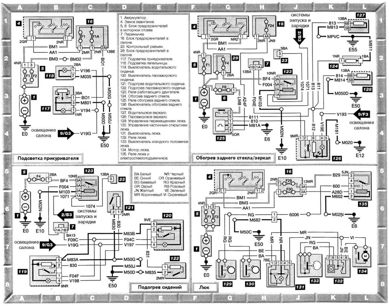
Осветление на запалка, отопляеми седалки, задно стъкло и огледала, люк



Отворете по-голямо изображение в нов раздел »
Отворете по-голямо изображение в нов раздел »

Вижте символите на схемите на бордовото електрическо оборудване тук →

[Информация, копирана от ресурса PeugeotBook]
Тази статия е достъпна на руски, английски, беларуски, украински, сръбски, хърватски, румънски, полски, словашки, унгарски
Статията е прегледана от редактора: Виноградов Робърт
Сподели информация:
Предишна
Peugeot 406: Схеми на свързване
Следващия

Устройства за измиване на фарове, устройства за…
Вътрешно осветление и регулиране на фаровете
Пътепоказатели и аварийни светлини, фарове за мъгла
Фарове, светлини за номера, стопове, крушки
Система за управление на двигателя Bosch MP5.1.1
Система за управление на двигателя Magneti Marelli MM8P
Система за блокиране на двигателя
Централно заключване и предни електрически стъкла
Предни и задни електрически стъкла
Радио, CD плейър, часовник и бордов компютър
Електрически огледала
Вижте подобна информация за други модели на Peugeot

➨ Диаграма 7: Вътрешно осветление, часовник, клаксон, запалка,… Пежо 106 (1991-2003)
➨ Електрически регулируеми задно стъкло и външни огледала… Пежо 207 (2006-2014)
➨ Смяна на задно стъкло Пежо 307 (2001-2008)
➨ Схема 12. Устройство за измиване и чистачка на предното стъкло,… Пежо 605 (1989-2000)
➨ Подгряване на задното стъкло и външните огледала за обратно… Пежо 806 (1994-2002)
Връзка към тази статия в различни формати
Коментари и отзиви от посетители
Без коментари все още


Добавете две числа 50 + 16

       



Peugeot 406 (1995-2004) 
  • Обща информация
  • Ръководство за работа
  • Поддръжка (бензин)
  • Поддръжка (дизел)
  • Силовия агрегат
  • Бензинови двигатели
  • Дизелови двигатели
  • Основен ремонт на двигателя
  • Охлаждане и отопление
  • Горивна система (бензин)
  • Горивна система (дизел)
  • Електрическо оборудване
  • Трансмисия
  • Съединител и задвижващи валове
  • Ръчна скоростна кутия
  • Автоматична скоростна кутия
  • Шаси, ходова част
  • Спирачна система
  • Окачване на превозно средство
  • Кормилно управление
  • Каросерия и интериор
  • Екстериор (външни елементи)
  • Интериор (вътрешни елементи)
  • Врати, брави и прозорци
  • Електрическо оборудване
  • Оборудване и инструменти
  • Схеми на свързване
Peugeot 405 (1987-1997) 
  • Обща информация
  • Ръководство за експлоатация
  • Поддръжка
  • Силовия агрегат
  • Бензинови двигатели 1.4L
  • Бензинови двигатели 1.6-2.0L
  • Дизелови двигатели
  • Запалителна система
  • Горивна система (карбуратор)
  • Едноточково впръскване на гориво
  • Многоточково впръскване на гориво
  • Система за охлаждане и смазване
  • Изпускателна система
  • Трансмисия
  • Съединител
  • Ръчна кутия MA
  • Ръчна кутия BE
  • Автоматична скоростна кутия
  • Задвижващи валове
  • Шаси, ходова част
  • Кормилно управление
  • Предно окачване
  • Задно окачване
  • Спирачна система
  • Каросерия и интериор
  • Екстериор (външни елементи)
  • Интериор (вътрешни елементи)
  • Врати, брави и прозорци
  • Електрическо оборудване
  • Оборудване и инструменти
  • Схеми на свързване
PeugeotBook.ru © 2018–2026 | Мобилна версия | Карта на сайта: EN BG BY UA RS HR RO PL SK HU | Да напиша съобщение | Търсене в сайта | Добавяне към отметки | Собственици на Пежо
106 (1991-2003) | 206 (1998-2012) | 207 (2006-2014) | 305 (1977-1989) | 306 (1993-2002) | 307 (2001-2008) | 405 (1987-1997) | 406 (1995-2004) | 605 (1989-2000) | Partner-I (1996-2008) | Eurovans-806 (1994-2002) |
„Бисквитките“ се използват, за да се осигури правилното показване на страниците на сайта.