Български Русский
English
Беларускі
Український
Српски
Hrvatski
Română
Polski
Slovenský
Magyar
Към отметки Статии Карта Контакти Търсене:
Компания Hyundai Компания Opel Компания Skoda Компания Kia Компания Mitsubishi Компания LADA Компания Audi
PeugeotBook.ru
 
 
 
 
 
 
 
Серия 100   Серия 200   Серия 300   400-500   Серия 600   Кросоувъри   Друго
 
Peugeot 405 (1987-1997) Peugeot 406 (1995-2004)

Система за блокиране на двигателя (Peugeot 406)

  • Главна
  • 40X
  • Peugeot 406 (1995-2004)
  • Електрическо оборудване
  • Схеми на свързване
  • Система за блокиране на двигателя
0

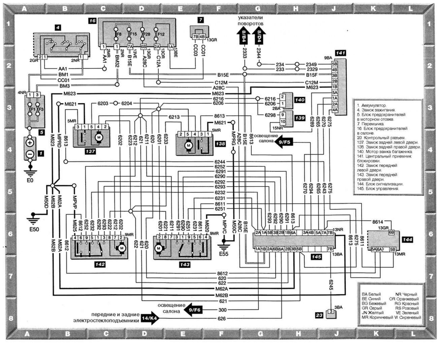
Система за блокиране на двигателя



Отворете по-голямо изображение в нов раздел »
Отворете по-голямо изображение в нов раздел »

Вижте символите на схемите на бордовото електрическо оборудване тук →


[Оригиналът е публикуван на портала PeugeotBook.ru]
Тази статия е достъпна на руски, английски, беларуски, украински, сръбски, хърватски, румънски, полски, словашки, унгарски
Статията е прегледана от редактора: Виноградов Робърт
Сподели информация:
Предишна
Peugeot 406: Схеми на свързване
Следващия

Осветление на запалка, отопляеми седалки, задно стъкло и…
Устройства за измиване на фарове, устройства за…
Вътрешно осветление и регулиране на фаровете
Пътепоказатели и аварийни светлини, фарове за мъгла
Фарове, светлини за номера, стопове, крушки
Система за управление на двигателя Bosch MP5.1.1
Централно заключване и предни електрически стъкла
Предни и задни електрически стъкла
Радио, CD плейър, часовник и бордов компютър
Електрически огледала
Вижте подобна информация за други модели на Peugeot

➨ Алармена система против кражба и имобилайзер на двигателя — обща… Пежо 106 (1991-2003)
➨ Характеристики на монтажа на скоростната кутия със и без система… Пежо 207 (2006-2014)
➨ Система за смазване на двигателя Пежо 306 (1993-2002)
➨ Система за смазване на двигателя — обща информация Пежо 605 (1989-2000)
➨ Блокиране на стартирането на двигателя Пежо 806 (1994-2002)
Връзка към тази статия в различни формати
TEXTHTMLBB Code
Коментари и отзиви от посетители
Без коментари все още


Добавете две числа 48 + 25

       



Peugeot 406 (1995-2004) 
  • Обща информация
  • Ръководство за работа
  • Поддръжка (бензин)
  • Поддръжка (дизел)
  • Силовия агрегат
  • Бензинови двигатели
  • Дизелови двигатели
  • Основен ремонт на двигателя
  • Охлаждане и отопление
  • Горивна система (бензин)
  • Горивна система (дизел)
  • Електрическо оборудване
  • Трансмисия
  • Съединител и задвижващи валове
  • Ръчна скоростна кутия
  • Автоматична скоростна кутия
  • Шаси, ходова част
  • Спирачна система
  • Окачване на превозно средство
  • Кормилно управление
  • Каросерия и интериор
  • Екстериор (външни елементи)
  • Интериор (вътрешни елементи)
  • Врати, брави и прозорци
  • Електрическо оборудване
  • Оборудване и инструменти
  • Схеми на свързване
Peugeot 405 (1987-1997) 
  • Обща информация
  • Ръководство за експлоатация
  • Поддръжка
  • Силовия агрегат
  • Бензинови двигатели 1.4L
  • Бензинови двигатели 1.6-2.0L
  • Дизелови двигатели
  • Запалителна система
  • Горивна система (карбуратор)
  • Едноточково впръскване на гориво
  • Многоточково впръскване на гориво
  • Система за охлаждане и смазване
  • Изпускателна система
  • Трансмисия
  • Съединител
  • Ръчна кутия MA
  • Ръчна кутия BE
  • Автоматична скоростна кутия
  • Задвижващи валове
  • Шаси, ходова част
  • Кормилно управление
  • Предно окачване
  • Задно окачване
  • Спирачна система
  • Каросерия и интериор
  • Екстериор (външни елементи)
  • Интериор (вътрешни елементи)
  • Врати, брави и прозорци
  • Електрическо оборудване
  • Оборудване и инструменти
  • Схеми на свързване
PeugeotBook.ru © 2018–2025 | Мобилна версия | Карта на сайта: EN BG BY UA RS HR RO PL SK HU | Да напиша съобщение | Търсене в сайта | Добавяне към отметки | Собственици на Пежо
106 (1991-2003) | 206 (1998-2012) | 207 (2006-2014) | 305 (1977-1989) | 306 (1993-2002) | 307 (2001-2008) | 405 (1987-1997) | 406 (1995-2004) | 605 (1989-2000) | Partner-I (1996-2008) | Eurovans-806 (1994-2002) |