Български Русский
English
Беларускі
Український
Српски
Hrvatski
Română
Polski
Slovenský
Magyar
Към отметки Статии Карта Контакти
Компания Hyundai Компания Opel Компания Skoda Компания Kia Компания Mitsubishi Компания LADA Компания Audi
PeugeotBook.ru
 
 
 
 
 
 
 
Серия 100   Серия 200   Серия 300   400-500   Серия 600   Кросоувъри   Друго
 
Peugeot 405 (1987-1997) Peugeot 406 (1995-2004)

Система за впръскване и запалване (XU9J1/ Z LU2 Jetronic) (Peugeot 405)

  • Главна
  • 40X
  • Peugeot 405 (1987-1997)
  • Електрическо оборудване
  • Схеми на свързване
  • Система за впръскване и запалване (XU9J1/ Z LU2 Jetronic)
0

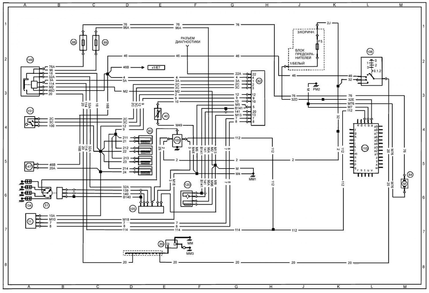
Система за впръскване и запалване (XU9J1/ Z LU2 Jetronic)



Отворете по-голямо изображение в нов раздел »
Отворете по-голямо изображение в нов раздел »

Вижте символите и обозначенията на електрическите схеми тук →


Източникът на статията е публикуван на [Peugeotbook.ru]
Тази статия е достъпна на руски, английски, беларуски, украински, сръбски, хърватски, румънски, полски, словашки, унгарски
Статията е прегледана от редактора: Широков Арсений
Сподели информация:
Предишна
Peugeot 405: Схеми на свързване
Следващия

Система за впръскване и запалване (XU9M/ Z FENIX 1B)
Система за впръскване и запалване (XU9J2 MP3.1 Motronic)
Система за впръскване и запалване (XU9J2 L3.1 Jetronic)
Система за впръскване и запалване (XU5M2-3Z MMBA G5)
Стартиране на двигателя, зареждане на батерията, запалване (само…
Обозначения на диаграми
Система за впръскване и запалване (XU9JA/ Z M1.3 Motronic)
Система за впръскване и запалване (XU9J4 и XU9J4/ Z M1.3…
Външно осветление (мъгла, странични светлини и фарове)
Външно осветление (пътепоказатели и стоп-светлини)
Схема на свързване на вътрешното осветление
Устройство за измиване/чистачка на предното стъкло, клаксон,…
Вижте подобна информация за други модели на Peugeot

➨ Система за впръскване на гориво — тестване и настройка Пежо 106 (1991-2003)
➨ Електронна система за впръскване на гориво (двигател TU5JP) Пежо 207 (2006-2014)
➨ Електронна (безконтактна) система за запалване Пежо 305 (1977-1989)
➨ Схема 2. Система за впръскване Magneti Marelli G5 (двигател… Пежо 605 (1989-2000)
➨ Система за впръскване на гориво и запалване. 2.0 литров двигател… Пежо 806 (1994-2002)
Връзка към тази статия в различни формати
Коментари и отзиви от посетители
Без коментари все още


Добавете две числа 31 + 16

       



Peugeot 406 (1995-2004) 
  • Обща информация
  • Ръководство за работа
  • Поддръжка (бензин)
  • Поддръжка (дизел)
  • Силовия агрегат
  • Бензинови двигатели
  • Дизелови двигатели
  • Основен ремонт на двигателя
  • Охлаждане и отопление
  • Горивна система (бензин)
  • Горивна система (дизел)
  • Електрическо оборудване
  • Трансмисия
  • Съединител и задвижващи валове
  • Ръчна скоростна кутия
  • Автоматична скоростна кутия
  • Шаси, ходова част
  • Спирачна система
  • Окачване на превозно средство
  • Кормилно управление
  • Каросерия и интериор
  • Екстериор (външни елементи)
  • Интериор (вътрешни елементи)
  • Врати, брави и прозорци
  • Електрическо оборудване
  • Оборудване и инструменти
  • Схеми на свързване
Peugeot 405 (1987-1997) 
  • Обща информация
  • Ръководство за експлоатация
  • Поддръжка
  • Силовия агрегат
  • Бензинови двигатели 1.4L
  • Бензинови двигатели 1.6-2.0L
  • Дизелови двигатели
  • Запалителна система
  • Горивна система (карбуратор)
  • Едноточково впръскване на гориво
  • Многоточково впръскване на гориво
  • Система за охлаждане и смазване
  • Изпускателна система
  • Трансмисия
  • Съединител
  • Ръчна кутия MA
  • Ръчна кутия BE
  • Автоматична скоростна кутия
  • Задвижващи валове
  • Шаси, ходова част
  • Кормилно управление
  • Предно окачване
  • Задно окачване
  • Спирачна система
  • Каросерия и интериор
  • Екстериор (външни елементи)
  • Интериор (вътрешни елементи)
  • Врати, брави и прозорци
  • Електрическо оборудване
  • Оборудване и инструменти
  • Схеми на свързване
PeugeotBook.ru © 2018–2026 | Мобилна версия | Карта на сайта: EN BG BY UA RS HR RO PL SK HU | Да напиша съобщение | Търсене в сайта | Добавяне към отметки | Собственици на Пежо
106 (1991-2003) | 206 (1998-2012) | 207 (2006-2014) | 305 (1977-1989) | 306 (1993-2002) | 307 (2001-2008) | 405 (1987-1997) | 406 (1995-2004) | 605 (1989-2000) | Partner-I (1996-2008) | Eurovans-806 (1994-2002) |