- Затянуть ручной тормоз и ослабить крепление колесных гаек. Ослабить также гайки приводных валов с помощью соответствующей головки ключа так, как показано на рисунке 7, не отворачивая их.
- Поставить переднюю сторону автомобиля на подставки так, чтобы передние колеса могли свободно проворачиваться.
- Отсоединить провода от аккумулятора и снять аккумулятор.
- Слить охлаждающую жидкость из системы охлаждения. Для этого отвернуть пробки на блоке цилиндров и на радиаторе. Расположение пробки на блоке цилиндров показано на рисунке 323. Если охлаждающая жидкость еще не старая, слить ее в чистый сосуд. Охлаждающая жидкость содержит антифриз и может снова быть использована, если она не долго проработала в системе охлаждения. В противном случае утилизация охлаждающей жидкости производится с соблюдением правил по защите окружающей среды.
Рис. 323. Вид снизу двигателя и коробки передач с расположением сливных пробок. 1. Пробка на блоке цилиндров; 2. Пробка слива масла двигателя; 3. Пробка слива масла коробки передач
- Слить масло из коробки передач и редуктора моста. Расположение обеих пробок (3), которые следует выворачивать для слива масла из коробки передач, представлено на рисунке 323. Масло сливается в чистый сосуд. Масло из двигателя сливается, если планируется проведение работ с двигателем, при которых требуется слив моторного масла из двигателя. Для этого отвернуть пробку 92) на рисунке 323. После слива масла сразу же завернуть пробки.
- Снять в середине моторного отсека большую воздушную распределительную коробку. Отсоединить от воздушного фильтра и после этого снять воздушный фильтр в сборе. На турбодизельном двигателе в этом месте располагается охладитель наддувочного воздуха, который в этом случае необходимо снимать. На рисунке 324 представлено расположение отдельных деталей на дизельном двигателе. Отсоединить большой шланг рядом с воздушным фильтром. Рядом с аккумулятором расположена релейная коробка. Отсоединить все подключенные электрические провода и отвести их в сторону.
Рис. 324. Дизельный двигатель. 1. Подключение топливопровода; 2. Воздушная распределительная коробка; 3. Топливный шланг; 4. Вакуумный шланг; 5. Соединительный шланг; 6. Воздушный фильтр; 7. Воздушный шланг
- Снять устройство подогрева топлива. Оно расположено с правой стороны, если смотреть спереди, непосредственно перед релейной коробки.
- Снять поддон аккумулятора.
- Поднять переднюю сторону автомобиля и поставить его на надежные подставки.
- Если имеется система ABS, необходимо снять блок управления. Для этого отвернуть два болта с кронштейна, отсоединить провода и вытащить прибор.
- Отсоединить шланги от штуцеров отопителя. Шланги имеют специальные замки крепления. На обоих шлангах имеются небольшие рычаги. Их следует повернуть вправо и вытащить шланги. Места отсоединения шлангов показаны на рисунке 325.
Рис. 325. Отсоединение шлангов отопителя производится рабочими операциями (1) и (2).
- Для вытаскивания силового агрегата необходимо установить капот моторного отсека в вертикальное положение. Так как для удержания капота в этом положении требуется специальный инструмент, лучше отвернуть капот и отложить его в надежное место. Для этого пометить карандашом контуры петель на капоте и отвернуть болты петель. При отворачивании последнего болта помощнику удерживать капот.
- Отсоединить водяные шланги с верхней стороны радиатора и с нижнего штуцера радиатора. Для этого поворачивать шланги на четверть оборота вправо и после этого снять. Водяные шланги должны также освобождаться из хомутов крепления.
- Отсоединить трос управления газом. Более подробно об этом см. раздел "Устройство впрыска топлива дизельного двигателя".
- Отсоединить впускной и выходной топливные шланги. Один шланг виден в месте (1) на рисунке 324, а второй шланг (2), соединенный с ручным насосом, отсоединяется от насоса.
- С правой стороны, рядом с крышкой радиатора, отсоединить шланг насоса гидроусилителя рулевого управления. Во избежание вытекания жидкости пережать шланг струбциной. Также отсоединить от насоса вакуумный шланг. Расположение названных деталей представлено на рисунке 326. Отвернуть болт (2).
Рис. 326. Отсоединение шлангов от насоса гидроусилителя рулевого управления. Пережать шланг (1) струбциной (3). Отвернуть болт (2).
- Отвернуть трубу глушителя от выпускного коллектора. Для этого отвернуть с нижней стороны две гайки с чашками и вытащить пружины. Разъединить соединение. Для обеспечения герметичности соединения при затяжке гаек до нужного момента затяжки происходит сжатие пружин. Рядом с глушителем расположены три тяги переключения передач коробки передач (Рис. 327). Их следует отжать от рычагов, вставляя отвертку за шаровые шарниры.
Рис. 327. Тяги переключения передач (1) соединяются с рычагами (2) шаровыми шарнирами.
- Снять под автомобилем детали, указанные на рисунке 328. Это болты (1), защитный кожух (2) и две гайки (3).
Рис. 328. Вид автомобиля снизу. Указанные детали должны быть сняты. 1. Болты; 2. Защитный кожух; 3. Гайки
- Снять щиток из колесной ниши.
- После отворачивания двух гаек, показанных на рисунке 329, ослабить моментную опору и отклонить ее в сторону. Ослабить обе контргайки и повернуть болты на пол-оборота, чтобы вывести их головки из зацепления фиксаторов.
Рис. 329. Крепление моментной опоры. Отвернуть гайки (1) с обеих сторон.
- Отвернуть болты крепления радиатора с верхней стороны, снять крепления и острожно вытащить радиатор.
- Поставить теперь переднюю сторону автомобиля на подставки и снять колеса.
- Вы прессовать правую и левую шаровые опоры из поворотных кулаков, как описывается в разделе "Подвеска передних колес". Соединение поворотного кулака с цапфой шаровой опоры крепится стяжным болтом.
- Снять оба приводных вала в соответствии с указаниями соответствующего раздела.
- Отсоединить гибкий валик спидометра.
- Отсоединить электрические провода от коробки передач (например, провод стартера и провод выключателя фонарей заднего хода).
- Отсоединить вакуумный шланг от гидроусилителя тормозной системы.
- Подцепить силовой агрегат цепями или тросами в подъемному крану или другому подходящему подъемному механизму и медленно подтягивать силовой агрегат до натяжения цепей или тросов.
- Снять правую опору двигателя. На турбодизельном двигателе в нее вставлен упор, который следует снять, чтобы обеспечить доступ к гайке крепления. Полностью снять несущую скобу.
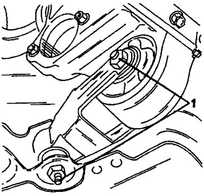
- С противоположной стороны двигателя отсоединить трос сцепления и отвернуть гайку (2) в середине опоры подвески (1) на рисунке 330.
Рис. 330. Крепление опоры подвески со стороны коробки передач. Скоба подвески (1) крепится на коробке передач гайкой (2). Стрелками показано расположение болтов крепления на консоли подвески.
- Еще раз убедиться в том, что произведены все отсоединения, приподнять силовой агрегат и вывести его из моторного отсека. При этом постоянно следить, чтобы трубки, шланги, провода и т.п. не цеплялись за силовой агрегат и что произведены все отсоединения.
- После снятия установить двигатель на подходящую опору, например на деревянный брусок и застраховать силовой агрегат отопрокидыва ния. После этого осмотреть весь силовой агрегат на отсутствие наружных повреждений и мест протечек, например следов масла, что может указывать на поврежденные детали. После этого произвести наружную очистку двигателя. Прикрыть все чувствительные детали.
Данные опубликованы на сайте: www.PeugeotBook.ru
