Подробно разборка двигателя описывается ниже в разделе под заголовком "Ремонт и переборка". Таким образом описываются работы, которые могут выполняться как на снятом двигателе, так и без снятия его с автомобиля, не повторяя дважды описания определенных работ, связанных с разборкой двигателя. Если требуется полная разборка двигателя. нужно просто скомбинировать отдельные рабочие операции, причем в указанной последовательности. Для большей наглядности обе группы бензиновых двигателей описываются раздельно. Описание дизельных двигателей приводится в специальном разделе.
В общем следует всегда помнить о том, что перед снятием необходимо маркировать все подвижные детали, чтобы впоследствии устанавливать их в прежнем положении, если они будут устанавливаться повторно. Это относится ко всем двигателям и особенно важно для поршней, клапанов, крышек подшипников и вкладышей подшипников. Снимаемые детали складывать так, чтобы их не перепутать.
Ни в коем случае не маркировать опорные и сопрягаемые поверхности рейснаделем или даже штамповать на них цифры. Для маркировки лучше всего подходит краска. Клапана лучше всего устанавливать в отверстия в дне перевернутой картонной коробки, так что рядом на коробке можно писать их номера. На рисунке 21 представлено расположение снятых клапанов 8-клапанного двигателя.
Рис. 21. Клапана могут устанавливаться в отверстия в дне перевернутой картонной коробки в порядке их последующей установки.
Большинство деталей изготовлено из алюминия и требуют соответствующего обращения. Если для разделения отдельных деталей требуются удары молотком, то Следует пользоваться только резиновым, пластмассовым или кожаным молотком.
Если в распоряжении не имеется предписанного монтажного стенда, лучше всего отпилить деревянные блоки таким образом, чтобы на них мог устанавливаться двигатель с обеспечением доступа к его верхней и нижней сторонам. Головка цилиндров после ее снятия может быть закреплена в тисках за металлическую скобу, привернутую к шпилькам впускного коллектора.
В следующем тексте сначала приводится описание снятия головки цилиндров, так как за срок службы автомобиля эту работу требуется выполнять хотя бы один раз. При этом описание приводится по группам двигателей раздельно.
2.2.1 Снятие головки цилиндров
Двигатель XU
Для снятия и установки головки цилиндров в распоряжении должен находиться специальный инструмент для блокировки зубчатого шкива распределительного вала и последующей блокировки маховика во избежание несовпадения требуемых положений коленчатого и распределительного вала. Эти приспособления можно изготовить и самостоятельно.
- Отключить провода от аккумулятора. Отвести провода от аккумулятора, чтобы они не отошли обратно и не устроили короткого замыкания.
- Слить охлаждающую жидкость из системы охлаждения. Если жидкость не старая, сливать ее в чистый сосуд.
- Снять воздушный фильтр, воздухозаборный шланг и т.д.
- Отсоединить в указанной последовательности трос газа, топливопроводы, шланги, подключенные к головке цилиндров, подключения системы впрыска топлива, верхнее крепление трубки маслоизмерительного стержня и переднюю трубу глушителя. Отсоединить трубу из крепления на коробке передач и опустить вниз.
Рис 22. Снятие и установка двух крышек привода газораспределительного механизма с передней стороны двигателя типа TU. Ссылки на буквенные и цифровые обозначения приводятся в тексте.
- Отсоединить жгуты проводов модуля зажигания от катушки зажигания и температурного выключателя. Освободить из крепежной скобы подключение датчика верхней мертвой точки.
- С использованием рисунка 22 снять обе крышки привода газораспределительного механизма. Болты расположены, глядя с передней стороны двигателя, в следующих местах; один болт слева и один справа (а), один болт с левой стороны приблизительно в середине (b) и два болта с нижней стороны непосредственно над ременным шкивом коленчатого вала (с). После этого могут быть сняты обе половины крышки привода газораспределительного механизма (1) и (2).
Рис. 21. Блокирующие штифты для регулировки механизма газораспределения. Сверху изображен штифт для блокировки маховика; снизу — для блокировки зубчатого шкива распределительного вала.
- Провернуть двигатель до установки поршня первого цилиндра в положение верхней мертвой точки такта сжатия и вставить специальный блокирующий штифт с задней стороны блока цилиндров в маховик. Инструмент представлен на рисунке 23 и имеет диаметр 6 мм. По рисунку можно изготовить такой штифт самостоятельно.
- После блокировки указанным способом маховика вставить блокирующий штифт в зубчатый шкив распределительного вала, как показано на рисунке 24. При этом речь идет о прямом штифте, представленном в нижней части рисунка 23. Этот стержень также можно изготовить из стали или железа.
- Ослабить гайку натяжного ролика ("2" на рисунке 24), переместить натяжной ролик наружу и снять приводной ремень. Рекомендуется нанести на ремне стрелку, указывающую направление движения ремня.
- Отвернуть две гайки крепления крышки головки цилиндров и снять крышку. При этом открывается маслоотражательный щиток, который также требуется снять. Сначала снять две распорные втулки со шпилекслевой и правой стороны маслоотражательного щитка. На рисунке 25 представлены детали после снятия крышки головки цилиндров.
- За несколько проходов в последовательности, обратной указанной на рисунке 26, отвернуть болты головки цилиндров и вынуть из головки цилиндров коленчатый вал как единый узел. После этого можно снимать головку цилиндров. На станциях обслуживания Peugeot для этого используются два отогнутых рычага, вставляемые в два отверстия под болты головки цилиндров. Такие рычаги можно изготовить и самостоятельно и ими снимать головку цилиндров с блока цилиндров, как показано на рисунке 27. Для освобождения от прокладки покачать головку в обе стороны. Если головка цилиндров снимается без рычагов, можно взяться за впускной и выпускной коллекторы и покачать головку в обе стороны до ее высвобождения. Не вытаскивать головку цилиндров сразу, так как может произойти, что гильзы цилиндров останутся приклеившимися к головке.
- Снять прокладку головки цилиндров и зажать рабочие гильзы цилиндров специальными зажимами. Для этого подходят две стяжные планки, показанные на рисунке 28.
- Сразу же тщательно очистить поверхности головки цилиндров и блока цилиндров и осторожно сцарапать шабером остатки прокладки головки цилиндров, не повредив при этом контактные п
- оверхности. Ни в коем случае не пользоваться для этого наждачной шкуркой.
- Установка головки цилиндров описывается в разделе сборки двигателя. Все отсоединенные элементы подключаются в обратной последовательности.
Двигатель XU (с рабочим объемом 1,8/2,0 литра)
- Снятие и установка головки цилиндров этих двигателей не сопряжено ни с какими сложностями, только для предписанного натяжения зубчатого ремня требуется специальное измерительное устройство. Если такого устройства нет, следует проверить натяжение зубчатого ремня перед его снятием. При сильном нажатии на ремень можно измерить прогиб ремня измерительной линейкой. При установке ремня его следует натягивать так, чтобы был обеспечен измеренный прогиб.
- Для блокировки коленчатого вала и распределительного вала или обоих распределительных валов на 16-клапанном двигателе требуются блокирующие штифты, которые вставляются при определенном положении двигателя в распределительный вал (валы) и в коленчатый вал, чтобы двигатель не мог проворачиваться, Блокирующие штифты аналогичны изображенным на рисунке 23. Для блокировки можно также воспользоваться прутком диаметром 8 или 10 мм. К тому же диаметр при обоих вариантах двигателей не одинаков. Важно определить нужный диаметр. Для работы в колесной нише необходимо поднять правую сторону автомобиля. Ввиду различий между 8- и 16-клапанными двигателями невозможно касаться всех подробностей. Ниже приводимые указания являются общими и выполняются следующим образом.
- Снять правое переднее колесо и брызговик.
- Вывернуть свечи зажигания, чтобы облегчить проворачивание двигателя.
- Отсоединить все провода, соединяющие головку цилиндров с кузовом и головку цилиндров с блоком цилиндров. То же относится и к шлангам.
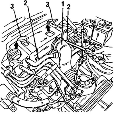
- Снять детали, показанные на рисунке 29, Это шланг (1), два болта (2) и две планки (3). После этого снять крышку воздушного фильтра и вынуть фильтрующий элемент.
Рис. 24. Блокировка зубчатого шкива распределительного вала блокирующим штифтом (1) с левой стороны и гайка натяжного ролика ремня (2) с правой стороны
Рис. 25. После снятия крышки головки цилиндров открываются указанные детали. 1. Распорная втулка; 2. Маслоотражательный щиток
Рис. 26. Последовательность затяжки болтов головки цилиндров. Отворачивать болты в обратном порядке.
Рис. 27. Поднимание головки цилиндров с помощью двух рычагов (1).
Рис. 28. Рабочие гильзы цилиндров можно закрепить в блоке цилиндров (2) двумя стяжными планками (1).
Рис. 29. При снятии головки цилиндров двигателя типа XU сначала снять указанные детали, чтобы обеспечить доступ к воздушному фильтру на крышке головки цилиндров. 1. Воздухозаборный шланг; 2. Правый и левый болты крепления; 3. Пружинные планки
- Отвернуть трубу глушителя от выпускного коллектора.
- Крышка головки цилиндров и воздушный фильтр представляют собой единое целое и болты должны отворачиваться в последовательности,указанной на рисунке 30. После этого снять комплектный узел.
- Отвернуть болт (3) и гайку на рисунке 11. Она крепит реактивную опору.
- Отвернуть гайку верхней правой опоры двигателя и подвесить двигатель на небольшом подъемном кране, полиспасте или другом подъемном устройстве. Отвернуть два болта, показанные на рисунке 31 и снова опустить двигатель на резиновую опору.
Рис. 30. Отворачивать десять болтов крепления крышки головки цилиндров (и воздушного фильтра) в указанной последовательности.
Рис. 31. Отвернуть только два указанных болта опоры двигателя.
- Отвернуть и вытащить впускной коллектор.
- Снять приводной ремень генератора переменного тока. На некоторых моделях требуется снятие и приводного ремня насоса гидроусилителя рулевого управления.
- На 8-клапанном двигателе провернуть коленчатый вал до установки распределительного вала в положение, представленное на рисунке 32. В этом положении вставить блокирующий штифт (10 мм) в зубчатый шкив распределительного вала. Штифт проходит через шкив и вставляется в отверстие. У ременного шкива коленчатого вала также имеется отверстие. В него вставляется другой блокирующий штифт для блокировки коленчатого вала. Блокирующие штифты для коленчатого и для распределительного валов различны. Пригодны также блокирующие штифты, используемые на станциях обслуживания Citroen. Они имеют номера 7004 T.G. или 7014 T.G. для распределительного вала и 7014 T.N. для коленчатого вала. При использовании других штифтов не вставлять 8-миллиметровый штифт в отверстие 10 мм.
Рис. 32. Вид спереди 8-клапанного двигателя. 1. Сюда вставляется штифт для блокировки распределительного вала; 2. Сюда вставляется штифт для блокировки коленчатого вала.
На 16-клапанном двигателе работа выполняется аналогичным образом, однако двигатель проворачивается в положение, при котором зубчатые шкивы обоих распределительных валов и ременной шкив коленчатого вала устанавливаются в положение, представленное на рисунке 33. В этом положении вставить блокирующие штифты (3) и (4) в зубчатые шкивы распределительных валов и в ременной шкив коленчатого вала. Специальные блокирующие штифты показаны на рисунке.
- После этого снять зубчатый ремень, следуя указаниям соответствующих разделов.
Последующие работы по снятию головки цилиндров производятся в соответствии с указаниями, приводимыми в разделе по разборке двигателя.
На двигателе с "мокрыми" рабочими гильзами цилиндров закрепить все четыре гильзы стяжными планками, как это показано на рисунке 28, чтобы рабочие гильзы не могли выходить.
Установка головки цилиндров производится в обратной последовательности. Ниже приводится только описание затяжки болтов головки цилиндров. Для затяжки требуются вставка "Torx 55"-ключа, соответствующая ему головка, а также транспортир. При затяжке болтов обязательно ознакомиться с указаниями по соответствующему типу двигателя.
8-клапанный двигатель с рабочим объемом 2,0 литра
- Измерить длину болтов головки цилиндров от нижней стороны головки болта до схода резьбы. Болты, длина которых превышает 122 мм, подлежат замене.
- Наложить на блок цилиндров новую прокладку головки цилиндров. Тип прокладки должен соответствовать номеру двигателя. Прокладка накладывается несмазанной. Проверить наличие обеих центрирующих втулок в углах головки цилиндров. Выступ на прокладке цилиндров должен располагаться со стороны маховика.
- Смазать резьбу и нижнюю сторону головок болтов моторным маслом и надеть на каждый болт шайбу.
Рис. 33. Привод газораспределительного механизма 16-клапанного двигателя. 1. Натяжной ролик ремня; 2. Натяжной ролик ремня; 3. Блокирующие стержни распределительных валов; 4. Блокирующий стержень коленчатого вала
Рис. 34. Последовательность затяжки болтов головки цилиндров на 8-клапаном двигателе.
- Поставить головку цилиндров. Зубчатый шкив распределительного вала остается заблокированным. В противном случае его следует предварительно заблокировать штифтом. Вставляется штифт диаметром 10 мм. Завернуть болты головки цилиндров рукой в направлении изнутри наружу.
- Затянуть болты в последовательности, указанной на рисунке 34, до момента затяжки 35 нм. Чтобы не повредить болты, пользоваться только ключом "Torx 55".
- Затянуть болты в последовательности, указанной на рисунке 34, до момента затяжки 70 нм.
- После этого в последовательности, указанной на рисунке 34, дотянуть болты головки цилиндров на угол около 160°. При наличии транспортира, представленного на рисунке 35, дотяжка болтов на определенный угол является простым делом, то есть после установки ключа поворачивать его пока проволочный указатель не встанет против отметки 165°. В отсутствие этого измерителя следует исходить из того, что 180° составляют пол-оборота. Можно начертить угол 90° и разделить его на шесть равных часов. Один сектор составляет 15°, который следует отнять от половины оборота. Возможно этот способ и сложен, но является единственным, что может быть предложено я отсутствие транспортира.
Рис. 35. Для подтяжки болтов на определенный угол используется транспортир указанного вида.
- Подтяжки болтов головки цилиндров при разогретом двигателе или после определенного пробега не требуется.
- Установить зубчатый ремень и все снятые детали.
16-клапанный двигатель
- Для затяжки болтов головки цилиндров пользоваться только ключом "Torx 55". Не использовать вспомогательных средств.
- Наложить на блок цилиндров несмазанную прокладку головки цилиндров.
- Измерить длину болтов головки цилиндров от нижней стороны головки болта до схода резьбы. Болты, длина которых превышает 110 мм, подлежат замене.
- Смазать резьбу и нижнюю сторону головок болтов моторным маслом и надеть на каждый болт шайбу.
Рис. 36. Последовательность затяжки болтов головки цилиндров на 8-клапаном двигателе. На ключ надет транспортир для подтяжки болтов на определенный угол.
- Затянуть болты в последовательности, указанной на рисунке 36, до момента затяжки 40 нм.
- Затянуть болты в последовательности, указанной на рисунке 36, до момента затяжки 75 нм.
- После этого в последовательности, указанной на рисунке 34, дотянуть болты головки цилиндров на угол около 165° указанным выше способом.
- Подтяжки болтов головки цилиндров при разогретом двигателе или после определенного пробега не требуется.
- Установить зубчатый ремень и все снятые детали.
Двигатель XU7 (с рабочим объемом 1,8 литра)
- Удалить стягивающие планки рабочих гильз цилиндров.
- Очистить контактные поверхности блока цилиндров и моторного блока очищающим средством. Ни в коем случае не пользоваться для очистки твердым шабером или наждачной бумагой.
- При необходимости замерить выступы рабочих гильз цилиндров, следуя указаниям соответствующего раздела.
- Установка головки цилиндров производится следующим образом:
Наложить на блок цилиндров новую прокладку головки цилиндров. Тип прокладки должен соответствовать номеру двигателя. Имеются прокладки нормального и повышенного размеров. Прокладка накладывается несмазанной.
Смазать резьбу и нижнюю сторону головок болтов моторным маслом и надеть на каждый болт шайбу.
Поставить головку цилиндров и вставить 10 болтов. Затянуть болты рукой в направлении изнутри наружу.
Затянуть болты в последовательности, указанной на рисунке 37, до момента затяжки 45 нм. Чтобы не повредить болты, пользоваться только ключом "Torx 55". На рисунке 38 показана головка болта.
Рис. 37. Последовательность затяжки болтов головки цилиндров на двигателе XU7 (с рабочим объемом 1,8 литра).
Рис. 38. Форма головки "Torx"-болта головки цилиндров. Для затяжки болтов пользоваться только вставками ключей соответствующей формы.
- Затянуть болты в последовательности.указанной на рисунке 37, до момента затяжки 60 нм.
- Снова отпустить все болты.
- Затянуть болты в последовательности,указанной на рисунке 37, до момента затяжки 20 нм.
- Дотянуть болты в последовательности,указанной на рисунке 37, на угол около 300°. При наличии транспортира, представленного на рисунке 35, дотяжка болтов на определенный угол является простым делом, то есть после установки ключа поворачивать его пока проволочный указатель не встанет против отметки 300°. В отсутствие этого измерителя следует исходить из того, что 270° составляют три четверти оборота. Можно начертить угол 90° и разделить его на шесть равных часов. Два сектора составляют угол 30°, который следует прибавить к трем четвертям оборота. Возможно этот способ и сложен, но является единственным, что может быть предложено в отсутствие транспортира.
- Подтяжки болтов головки цилиндров при разогретом двигателе или после определенного пробега не требуется.
- Установить зубчатый ремень и все снятые детали.
2.2.2 Полная разборка двигателя
После снятия двигателя с автомобиля и зубчатого ремня с двигателя полная разборка двигателя производится в ниже указанной последовательности для каждого типа двигателя.
Двигатели типа TU (с рабочим объемом 1,4/1,6 литра)
Снять с двигателя масляный фильтр. Для этого требуется специальный ключ. Фильтр виден на рисунке 39. Стой же стороны двигателя отвернуть два электрических датчика.
Рис. 39. Установка штифтов для блокирования положения газораспределительного механизма. 1. Блокировка зубчатого шкива распределительного вала; 2. Блокировка маховика
Отвернуть два болта (1) с левой стороны выхода системы охлаждения (3) (Рис. 40) и два болта с правой стороны корпуса. Снять водяной насос с блока цилиндров.
Рис. 40. Снятие водяного насоса. Насос крепится болтами (1) и (2). Водяной шланг подсоединен к штуцеру (3) насоса.
- Удерживая маховик от проворачивания, отвернуть болт зубчатого шкива коленчатого вала и выступа корпуса ременного шкива. За зубчатым шкивом имеется металлическая пластина, которую следует снять.
- Снять распределитель зажигания вместе с проводами зажигания, в соответствии с указаниями раздела "Система зажигания".
- Равномерно и перекрестно отвернуть болты крепления сцепления. При этом следует удерживать маховик от проворачивания. Лучше всего для этого вставить между зубьями венца маховика мощную отвертку. При этом один из болтов фланца блока цилиндров может использоваться в качестве упора для отвертки. Перед снятием сцепления сделать метку ударом керна на маховике и корзине сцепления, чтобы обеспечить установку сцепления в прежнем положении (если только сцепление и/или маховик не будут заменяться).
- Последовательно отвернуть болты крепления маховика. Установочное положение маховика маркировать не требуется, так как маховик может устанавливаться только в одном положении. При отворачивании болтов маховик следует удерживать от проворачивания выше описанным способом. Крепко засевший маховик выбивается резиновым молотком. Следить, чтобы маховик не упал.
- Вывернуть соответствующим стержневым ключом с передней стороны двигателя заглушку непосредственно над фланцем коленчатого вала. Отвернуть также болт, расположенный над заглушкой. Расположение этих деталей представлено на рисунке 41.
Рис. 41. Расположение некоторых деталей на блоке цилиндров. 1. Заглушка с внутренним шестигранником; 2. Болт; 3. Болты (16 штук) нижней части картера
- Перевернуть блок цилиндров и отвернуть 16 болтов нижней половины картера двигателя от блока цилиндров. Эти болты имеют на рисунке 41 обозначение (3). Отвернуть 19 болтов масляного картера и снять масляный картер. Приклеившийся картер осторожно обстучать.
- Отвернуть три болта масляного насоса и снять насос. При этом одновременно вывести из зацепления с приводной цепью звездочку насоса. Снять звездочку с коленчатого вала и снять цепь. Вытащить бокорезами шпонку из коленчатого вала. Эта рабочая операция представлена на рисунке 42.
Рис. 42. К снятию масляного насоса и приводной цепи на двигателе типа TU. 1. Масляный насос; 2. Звездочка; 3. Приводная цепь
- Равномерно и перекрестно отвернуть и вытащить 10 болтов коренных подшипников. Эти болты крепят нижнюю половину картера двигателя на блоке цилиндров и помимо этого коленчатый вал. Снять нижнюю половину картера двигателя. Если требуется, воспользоваться резиновым молотком. Вытащить сальник (радиальное уплотнение) коленчатого вала.
- Замаркировать керном четыре крышки шатунных подшипников (шатунный подшипник №1 — один удар керном, шатунный подшипник №2 — два удара керном, и т.д.) и отвернуть гайки шатунных подшипников. При снятии крышек соответственно поворачивать коленчатый вал так, чтобы по два шатунных подшипника располагались с верхней стороны. Последовательно снять крышки и сразу же соединить вкладыши подшипников с крышками.
- Вытащить коленчатый вал и вынуть вкладыши коренных подшипников из основных отверстий.
- Замаркировать вкладыши в соответствии с их установочным положением. То же относится и к вкладышам в нижней части картера двигателя Вкладыши обязательно в комплекте одного подшипника. Вытащить обе разгонные шайбы второго коренного подшипника (считая со стороны маховика).
- Отвернуть стяжные планки рабочих гильз цилиндров и вытащить гильзы с находящимися в них поршнями и шатунами. Нанести на рабочие гильзы номера цилиндров, если они будут устанавливаться повторно. Если рабочая гильза заклинила в отверстии, поставить блок цилиндров на бок и выбить ее с нижней стороны твердым деревянным стержнем.
- Разобрать поршни и шатуны, следуя указаниям раздела 2.5.
- Если требуется, разобрать головку цилиндров, следуя указаниям раздела 2.4. для этого типа двигателя.
Двигатели XU10
- Следующее описание исходит из того, что двигатель полностью собран. Учитывать различия между 8 и 16-клапанным двигателем. Основой описания является 8-клапанный двигатель.
- Слить масло из двигателя.
- Снять все детали, установленные на головке цилиндров.
- Заблокировать соответствующим образом маховик. Для этого поставить на двигатель блокиратор, как представлено на рисунке 43, или вставить в зубья маховика мощную отвертку. Отвернуть с передней стороны двигателя болт с внутренней стороны ременного шкива коленчатого вала, вытащить болт с шайбой и снять ременной шкив с вала (если требуется, воспользоваться монтировкой).
- Отвернуть болты,указанные на рисунке 44 стрелками, и снять обе половины защитного кожуха зубчатого ремня.
- Снять с двигателя трубку маслоизмерительного стержня (отвернуть болт сверху) и вытащить из блока цилиндров.
- Отвернуть с помощью специального ключа масляный фильтр. Если такого ключа нет, проткнуть фильтр мощной отверткой и отвернуть фильтр, пользуясь отверткой как рычагом Фильтр все равно заменяется и не играет роли то, что он при снятии повреждается.
- Пока маховик еще заблокирован, перекрестно отвернуть болты крепления сцепления. Перед снятием сцепления сделать метку ударом керна на маховике и корзине сцепления, чтобы обеспечить установку сцепления в прежнем положении (если только сцепление и/или маховик не будут заменяться). Снять сцепление и вынуть ведомый диск их маховика.
- На 8-клапанном двигателе, удерживая соответствующим образом распределительный вал от проворачивания, ослабить и отвернуть болт в середине. Способ удержания распределительного вала представлен на рисунке 45. На 16-клапанном двигателе отвернуть выше описанным способом болты обоих распределительных валов. Взаимное положение коленчатого вала и распределительного вала (валов) не имеет значения, так как при сборке двигателя все равно регулировка привода газораспределительного механизма производится заново.
Рис. 43. Маховик можно удерживать от проворачивания с помощью зубчатого сегмента (1). Он пригоден для всех двигателей.
Рис. 44. Стрелками указано расположение болтов крепления защитного кожуха зубчатого ремня.
Рис. 45. При отворачивании болта шкива распределительного вала вставить указанным образом сверло.
- Снять зубчатый ремень с зубчатых шкивов и с натяжного ролика. Для этого, пользуясь рисунком 46, ослабить натяжитель ремня (1), отжать натяжитель наружу и снять зубчатый ремень со шкивов. На всякий случай рекомендуется отметить стрелкой на ремне (краской) направление вращения ремня. При установке прежнего ремня учитывать направление стрелки. Не допускать контакта ремня с маслами и смазками и не перегибать ремень. Рекомендуется повесить зубчатый ремень на крюк или на гвоздь на стене. После этого 8-клапанный двигатель выглядит так, как показано на рисунке 46. На 16-клапанном двигателе имеется натяжитель ремня (1) на рисунке 33. Шкив (или шкивы) лучше хранить на распределительных валах.
- Снять крышку распределителя зажигания с проводами зажигания. Жгут проводов крепится болтами.
- Снять крышку головки цилиндров. Крышка крепится одним болтом со стороны распределителя, одним болтом в середине и тремя болтами со стороны зубчатых шкивов (Рис. 47).
- Снять генератор переменного тока с консолью, распределитель зажигания, масляный выключатель и несущую скобу подвесок двигателя.
- Отвернуть шкалу установки момента зажигания со стороны маховика. Она крепится одним болтом и сидит на центрирующей втулке.
- Равномерно и перекрестно отвернуть восемь болтов крепления маховика и сбить маховик резиновым молотком. Не допускать падения маховика. На маховике расположена небольшая плата, которую требуется сразу же отвернуть (Рис. 48). На этом же рисунке видна также заглушка магистрального канала смазки. Отвернуть эту заглушку (стержневой ключ).
Рис. 46. Вид спереди двигателя типа XU10 при снятии зубчатого ремня. 1. Натяжной ролик зубчатого ремня; 2. Зубчатый ремень; 3. Шкив водяного насоса; 4. Зубчатый шкив коленчатого вала; 5. Зубчатый шкив распределительного вала
- С передней стороны двигателя снять зубчатый шкив с коленчатого вала. За шкивом расположена прокладочная шайба и направляющая зубчатого ремня, которые также следует снять.
- Рядом со шкивом водяного насоса расположена вторая заглушка магистрального канала смазки. Отвернуть эту заглушку (стержневой ключ).
- Отвернуть б болтов крепления крышки с передней стороны двигателя и снять крышку. Двигатель выглядит после этого так, как показано на рисунке 49. Выбить наружу находящийся там сальник.
- Отвернуть натяжной ролик (ролики) зубчатого ремня. Опорные пальцы также следует отвернуть.
- После снятия крышки снять расположенный над ней водяной насос Насос крепится болтами, представленными на рисунке 50. Кроме того необходимо снять расположенный рядом штуцер водяного шланга и прокладку.
- Отвернуть несущую скобу подвесок двигателя.
- Снять головку цилиндров, следуя уже приведенным выше указаниям. Сразу же проставить на верхних сторонах днищ поршней номера цилиндров, чтобы не забыть это сделать позже.
- Перевернуть блок цилиндров. Масляный картер этих двигателей крепится с прокладкой или без прокладки.
- Отвернуть три болта крепления масляного насоса с нижней стороны блока цилиндров. Сначала приподнять, а затем вытащить насос вперед, как это указано стрелками на рисунке 51. Звездочка водяного насоса снимается вместе с надетой на нее цепью. Между масляным насосом и блоком цилиндров имеется прокладочная плата.
- Последовательно отвернуть гайки крышек шатунных подшипников и снять крышки. Для облегчения снятия устанавливать по два подшипника в положение нижней мертвой точки. Снять вкладыши подшипников с шеек и сложить их вместе с крышками шатунных подшипников. Шатуны и крышки подшипников имеют маркировку в местах, представленных на рисунке 52. Вытолкнуть поршни и шатуны из отверстий цилиндров вверх рукояткой молотка. Предварительно проверить, что на днищах поршней нанесены номера цилиндров. Таким же образом снять два других поршня/шатуна. После снятия сразу же снова навернуть крышки подшипников на шатуны (с вкладышами подшипников).
Рис. 47. Крепление крышки головки цилиндров указано стрелками (8-клапанный двигатель).
Рис. 48. К снятию маховика. 1. Уплотняющая плата; 2. Маховик; 3. Блокирующий сегмент
Рис. 49. Снятие передней крышки.
Рис. 50. Установленный водяной насос.
- Отметить керном взаимное положение крышек коренных подшипников и блока цилиндров и в направлении изнутри наружу отвернуть десять болтов крышек подшипников и снять крышки. Сразу же вынуть расположенные под ними вкладыши подшипников и собрать вместе с соответствующими крышками подшипников. На одном из подшипников (Рис. 53) снять две полушайбы, выбирающие осевой люфт. При приобретении новых вкладышей подшипников обязательно указывать год выпуска и номер двигателя, так как производились доработки вкладышей.
- Вынуть коленчатый вал и оставшиеся две полушайбы из блока. Сразу же соединить вкладыши вместе с другими вкладышами и крышками подшипников. Также пометить места, где стояли полушайбы. Задний сальник коленчатого вала снимается вместе с валом и его можно снять с коленчатого вала.
Рис. 51. Снятие масляного насоса вместе с цепью и звездочками.
Рис. 52. После маркировки крышек подшипников и шатунов снять крышки и вкладыши подшипников.
Рис. 53. Сборка крышек коренных подшипников, вкладышей подшипников и разгонных шайб на двигателе типа XU (с или без рабочих гильз цилиндров).
Двигатели XU7 (с рабочим объемом 1,8 литра)
- До момента после снятия головки цилиндров разборка этих двигателей производится аналогично. После этого работы различаются.
- Снять головку цилиндров так, как это было описано выше.
- Снять стяжные планки рабочих гильз цилиндров и фломастером пометить поршни и рабочие гильзы цилиндров.
- Отвернуть гайки крепления крышек шатунных подшипников, снять крышки подшипников и снять каждую рабочую гильзу вместе с поршнем и шатуном и разложить в порядке установки. Вытащить поршни и шатуны.
- Снять крышки коренных подшипников после маркировки расположения крышек в картере двигателя.
- Вытащить коленчатый вал и сложить верхние половины вкладышей.
[Оригинал расположен по адресу: www.peugeotbook.ru]
