- Поставете предната част на колата върху стойки и свалете колелото.
- Развийте стягащия болт и гайката от долната част на шенкела. Запомнете от коя страна е главата на болта.
- Използвайте лост, за да натиснете напречния лост надолу в посоката, показана на Фигура 226, докато сферичният шарнирен болт се освободи от шенкела.
- Развийте болтовете и гайките от вътрешната страна на окачващата греда. Един болт е поставен хоризонтално (преден монтаж), два болта са поставени отдолу (заден монтаж). Инсталираният напречен лост е показан на Фигура 225. На Фигура 212 вижда се местоположението на напречното рамо със стабилизиращата щанга. Обърнете внимание от коя страна е поставен болтът, разположен хоризонтално.
- Натиснете напречното рамо далеч от напречната греда и го освободете от края на стабилизиращата щанга.
- Издърпайте жълъда.
Втулките на носачите, едната предна и едната задна опорна втулка, могат да се сменят с помощта на преса. С помощта на тръба с подходящ диаметър забийте новата втулка в желаното положение. След като развиете държача на сферичната връзка, той трябва да бъде сменен. Ако сферичният шарнир се е разхлабил, затегнете двата болта до 50 Nm.
Инсталиране на напречното лост се извършва в обратна последователност. Монтирайте носача с гумени втулки. Уверете се, че задната втулка пасва между рамката и предната опора на стабилизатора. Проверете наличието на гайката в корпуса. Местоположението на гайката е показано на Фигура 227.
Затегнете болтовете за монтаж на рамката на ръка. След това затегнете болтовете за монтаж на рамката до показаните на Фигура 225 въртящи моменти, но превозното средство трябва да бъде правилно натоварено. Целта на натоварването е да се създаде правилното напрежение върху гумените опори в носачите. Предното окачване трябва да бъде натоварено така, че и двата носача да са хоризонтални. Най-добре е да се качите на надлеза и да помолите асистент да натисне колата надолу или да натоварите колата вътре съответно. Наблюдавайте отдолу кога напречните лостове станат хоризонтални и затегнете болтовете.
Поставете щифта на шарнирната връзка със защитната шайба в долната страна на шенкела, подравнете правилно отвора за болта и затегнете гайката до 40 Nm. Накрая затегнете гайките на колелото до 85 Nm.
Фигура 225. Метод за закрепване на напречното рамо. 1. Затягащ болт на шенкела, 55 Nm; 2. Заден опорен болт, 27 Nm; 3. Заден опорен болт, 55 Nm; 4. Болт на предната опора, 75 Nm
(Можете да намерите оригинала на ресурса: PeugeotBook)
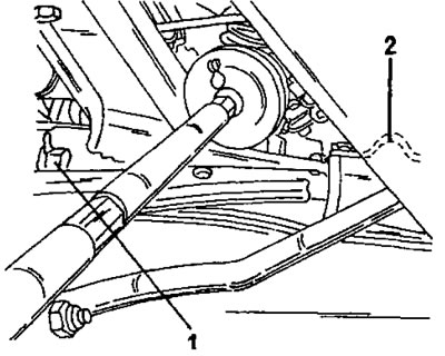
Фигура 226. Натиснете напречния лост надолу по посока на стрелката, докато болтът на сферичната връзка се освободи. Спирачният апарат е закрепен с болтове (1) и (2).
Фигура 227. Гайката (1) трябва да се постави на това място. Поставете задната втулка между рамката и опората на предния стабилизатор (2).
