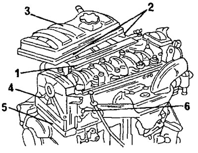
- Преди сглобяване проверете дали частите са чисти и без чужди примеси.
- Нанесете слой грес върху всички въртящи се и движещи се части. Това трябва да се направи преди сглобяването, а не след това, тъй като това ще предотврати достигането на смазката до местата, където частите влизат в директен контакт. Особено важно е обилно да се смажат буталата, буталните пръстени и стените на цилиндрите с моторно масло.
- Почистете старателно всички части на блока на цилиндрите, ако двигателят е бил напълно разглобен. При частично разглобяване не допускайте попадане на чужди предмети в разглобените части или кухини на двигателя. За да се избегне това, всички дупки трябва да бъдат или запечатани, или покрити с парцали.
- Най-добре е смазочните канали и отворите за смазване да се продухват със сгъстен въздух. Ако няма тръбопровод за сгъстен въздух, почистете смазочните канали и отворите за смазване с дървена пръчка, в никакъв случай не използвайте метални предмети. В никакъв случай не бива да пестите от части или да монтирате отново части, които първоначално са били повредени.
- Таблиците с размери и регулиране предоставят граници на износване за повечето движещи се части. В случай на съмнение или при приближаване на границата на износване, се препоръчва да смените частта, спестявайки си от друг демонтаж на двигателя в близко бъдеще,
- Всички резервни части трябва да се купуват само от дилъри на Peugeot, като се посочва номерът на двигателя. Тъй като модернизацията и последващата модификация на отделни части непрекъснато се извършват, само доставчикът на Peugeot може да избере необходимата резервна част.
- Преди да започне самото сглобяване, при някои двигатели е необходимо да се измерят издатините на цилиндровите втулки. В основата на работните цилиндрични обшивки има уплътнителни пръстени с кръгло напречно сечение, които обаче нямат никакво влияние върху размера на издатината на обшивката. Размерът на издатината съответства на посочената стойност в почти всички случаи, но за надеждност тя трябва да бъде измерена. О-пръстените са разположени на местата, показани на Фигура 54.
Фигура 54. О-пръстенът (1) е поставен на посоченото място.
Размерите на издатините се проверяват, както следва:
- Поставете сглобките от цилиндрови втулки, бутала и мотовилки без О-пръстени в блока на цилиндрите. Уверете се, че маркировките на работните втулки и бутала съвпадат и че стрелките на короните на буталата сочат към предната част на двигателя, т.е. към задвижването на ангренажния механизъм (Фигура 55).
Фигура 55. Маркиране на положението на работните цилиндрови втулки спрямо цилиндровия блок.
- Измерете височината на издатината на всяка работна обвивка на цилиндъра с дълбокомер или с помощта на специален измервателен блок, показан на Фигура 56. Първо измерете височината на издатината на работната обвивка на всеки цилиндър над повърхността на блока на цилиндъра и след това измерете разликата в издатините за всичките две съседни работни обвивки. Разликата в изпъкналостта на две съседни цилиндрови втулки не трябва да надвишава 0,05 мм. Цилиндровите втулки трябва да стърчат над повърхността на цилиндровия блок в рамките на 0,03–0,10 мм. Измерванията на цилиндровите втулки трябва да се правят от двете страни на цилиндровия блок.
- Отстранете отново цилиндровите втулки и монтирайте О-пръстените на местата, показани на Фигура 54, без да ги завъртате. Когато монтирате нови цилиндрови втулки, маркирайте и четирите втулки в съответствие с Фигура 55.
Фигура 56. Проверка на размера на издатината на цилиндровата втулка с помощта на специална измервателна дъска (1) и индикаторна стрелка (2) на стойката.
След това двигателят може да бъде сглобен в следната последователност.
2.3.1 Двигатели TU
- Сглобете буталата и мотовилките съгласно инструкциите в раздел 2.5.3.
- Монтирайте буталата в цилиндровите втулки, както е описано в раздела за тези двигатели.
- Поставете сглобките на цилиндровите втулки в съответствие с отбелязаните номера на цилиндрите след измерване на издатините (Фигура 55) в блока на цилиндъра и ги натиснете добре надолу. Закрепете всички работни втулки със скоби. При никакви обстоятелства не трябва да се допуска цилиндровите втулки или буталата да падат от отворите на цилиндрите, когато двигателят се върти.
- Поставете черупките на лагерите на мотовилките в мотовилките според маркировките (при инсталиране на предишните части). Водещите езичета на лагерните черупки трябва да паснат в изрезите в отворите на мотовилките.
- Поставете основните лагерни шийки със смазочни отвори в отвори № 2 и № 4, а останалите обикновени лагерни черупки без смазочни отвори в отвори № 1, 3 и 5. Уверете се, че издатините на черупките пасват в изрезите на лагерните отвори.
- Поставете двете полушайби за регулиране на аксиалния хлабина на коляновия вал от всяка страна на втория основен лагер на коляновия вал. Отворите за смазване на двете половини на шайбите трябва да са обърнати навън от всяка страна, т.е. към бузите на коляновия вал. Смажете добре шайбите с моторно масло. Фигура 57 показва разположението на частите.
- Внимателно поставете коляновия вал в лагерните черупки. Работните повърхности трябва да бъдат добре смазани с моторно масло. За да направите това, използвайте омаслител и втрийте маслото с пръст; не използвайте четка за нанасяне на маслото.
След това проверете аксиалния хлабина на коляновия вал:
- Монтирайте индикаторен часовник на подходяща стойка в предната част на двигателя и прикрепете измервателната сонда към вдлъбнатината на коляновия вал, както е показано на Фигура 58. Ако индикаторният часовник има стойка с магнит, стойката може да се монтира на вала, а измервателната сонда може да се прикрепи към шлифованата повърхност на блока.
- Натиснете коляновия вал с отвертка в едната посока и нулирайте скалата на индикатора.
- Натиснете коляновия вал в другата посока и прочетете показанието от скалата на индикатора. Стойността трябва да бъде в диапазона от 0,10 - 0,30 мм.
- Ако аксиалният луфт надвишава зададения толеранс, трябва да се монтират две по-големи полушайби. И двете шайби трябва да са с еднаква дебелина. В допълнение към стандартния размер 2,40 мм, се предлагат и по-големи шайби: 2,50, 2,55 и 2,60 мм. Важно е да се уверите, че и двете шайби са с еднаква дебелина, за да се предотврати изместването на коляновия вал на едната страна.
- Монтирайте капачките на лагерите на мотовилките заедно с лагерните черупки. Уверете се, че лагерните черупки са монтирани в правилните мотовилки. Номерата на цилиндрите, нанесени по време на демонтажа, трябва да бъдат разположени върху мотовилката и върху капака на лагера на мотовилката от една и съща страна. За да монтирате два лагера на мотовилките за монтаж от горната страна, завъртете коляновия вал съответно.
- Завийте гайките върху шпилките на лагера на мотовилката и ги затегнете с въртящ момент от 40 Nm.
- Поставете лагерните черупки в долната половина на картера на двигателя. Поставете две лагерни черупки в отворите на междинните лагери (№ 2 и № 4), както е показано на Фигура 59. Лагерните черупки трябва да бъдат добре смазани с моторно масло. За да направите това, използвайте омаслител и втрийте маслото с пръст; не използвайте четка за нанасяне на маслото.
- Забийте ключ в предния край на коляновия вал и с помощта на парче тръба натиснете задвижващата ролка на маслената помпа върху коляновия вал, без да натискате ключа. Зацепете задвижващата верига със зъбното колело.
- Покрийте контактната повърхност на долната половина на картера на двигателя с уплътнителна паста. Можете да се информирате за вида на уплътнителя във вашия сервизен център на Peugeot. Уплътнителят е вещество, което остава меко дори след изсъхване.
- Поставете долната половина на картера на двигателя върху блока на цилиндрите, без да местите лагерните черупки. Почукайте картера в желаното положение с гумен чук.
- Завийте болтовете (10 броя) един по един и ги затегнете с въртящ момент от 20 Nm на няколко пъти, като работите от центъра навън. От тази позиция затегнете болтовете в същата последователност до ъгъл 45° без да използвате динамометричен ключ.
- Монтирайте маслената помпа в долната част на картера на двигателя. Едновременно с това зацепете задвижващата верига със зъбното колело на помпата. Затегнете болтовете с въртящ момент на затягане от 8 Nm.
- Покрийте контактната повърхност с картера с уплътнителна смес и поставете картера върху картера на двигателя. Завийте 19 болта и ги затегнете равномерно по обиколката с въртящ момент от 8 Nm.
- Монтирайте малките болтове по свързващия фланец между цилиндровия блок и долната половина на картера на двигателя и ги затегнете равномерно до въртящ момент от 8 Nm. Едновременно с това затегнете превключвателя до фланеца на масления филтър до въртящ момент от 28 Nm и затегнете превключвателя, разположен над него, до въртящ момент от 25 Nm. Затегнете болта, разположен до номера на двигателя, до въртящ момент от 40 Nm. Монтирайте масления филтър с ново уплътнение. Филтърът се затяга с въртящ момент от 14 Nm, но тази стойност е приблизителна, тъй като в този случай е невъзможно да се монтира динамометричен ключ,
- С помощта на подходящо парче тръба натиснете уплътнението на мястото му от страната на маховика. При натискане уплътнението не трябва да се деформира. От същата страна завийте щепсела на главния смазочен канал и го затегнете с гаечен ключ до въртящ момент от 30 Nm,
- Монтирайте маховика на коляновия вал. Едновременно с това завъртете маховика на фланеца на коляновия вал, докато всички отвори се подравнят. Болтовете трябва да бъдат сменени. Покрийте резбите на болтовете със заключващ състав. При затягане на болтовете, заключете маховика, както е показано на фиг. 60. Затегнете болтовете равномерно до въртящ момент от 65 Nm.
- Поставете задвижващия диск на съединителя в маховика и монтирайте коша на съединителя. Дългата страна на главината на задвижвания диск трябва да е обърната навън. Завъртете задвижващия диск, докато двете маркировки се подравнят (при повторно инсталиране на старите части) и завийте болтовете. За монтаж на съединителя е необходим центриращ вал. Тази работна операция е описана подробно в раздела "Съединител". Задръжте маховика на място, както е описано по-горе, и затегнете болтовете на кръст до 15 Nm. Проверете свободното аксиално движение на центриращия вал.
Фигура 57. Монтиране на коляновия вал на двигател тип TU. 1. Конвенционални лагерни черупки; 2. Ускоряващи шайби; 3. Черупки на лагерите на мотовилките; 4. Конвенционална лагерна обвивка; 5. Лагерни черупки с отвори за смазване
Фигура 58. Измерване на аксиалния луфт на коляновия вал. 1. Стойка за индикаторен часовник 2. Индикаторен часовник
Фигура 59. Поставяне на черупки на основни лагери. В отворите, маркирани със стрелки, са монтирани две облицовки с отвори за смазване.
Фигура 60. Използване на стопер за заключване на маховика при разхлабване на съединителя, маховика и шайбата на коляновия вал.
Фигура 61. Детайли от предната страна на коляновия вал. 1. Метална шайба; 2. Зъбчатата ролка на коляновия вал
Фигура 62. Затегнете болтовете (1) и (2) до посочените в текста въртящи моменти на затягане.
- Натиснете масления уплътнител в предната част на блока на цилиндъра. И тук първо смажете уплътнителните ръбове на семеринга с масло и внимателно забийте семеринга в отвора, без да го деформирате. Най-добре е първо да почукате уплътнението с чук, докато достигне около 1 мм дълбочина. След това, използвайки тръба с подходящ диаметър, забийте уплътнението, докато външната му повърхност се изравни с повърхността на блока на цилиндъра. След това затегнете запушалката на главния смазочен канал с въртящ момент от 30 Nm.
- Поставете шайбите (1) и зъбната ролка на коляновия вал от предната страна на коляновия вал (Фигура 61). Поставете обратно болта и го затегнете до 110 Nm. Маховикът трябва да се заключи отново. Работейки от тази страна на цилиндровия блок, поставете О-пръстен в жлеба. Също така временно закрепете ролката за опъване на ангренажния ремък с гайка.
- Монтирайте водната помпа на блока на цилиндрите. Болтовете се затягат с различен въртящ момент. Два болта (1) (Фигура 62) затегнат с въртящ момент от 30 Nm, а болтът (2) с въртящ момент от 55 Nm.
- Поставете скалата за запалване от страната на маховика на двигателя и затегнете двата болта с въртящ момент от 8 Nm.
- След това поставете огънатия щифт в маховика през картера на двигателя. Преди да направите това, завъртете маховика съответно, така че щифтът да може да се постави. В този случай маховикът е настроен в положение за регулиране на механизма за регулиране на газоразпределителния вал. Отворът за щифта се намира от лявата страна, малко под номера на двигателя. Фигура 63 показва щифта, поставен в двигателя.
Фигура 63. Фиксиращият щифт на коляновия вал е поставен на посоченото място
Разхлабете затягащите ленти на цилиндровите втулки. Поставете несмазаното уплътнение на главата на цилиндъра върху блока на цилиндъра върху двата щифта. Маркировката на производителя (1) на Фигура 64 трябва да е видима отгоре след поставяне на уплътнението. Езичето 92) трябва да е разположено от страната на съединителя. Моля, обърнете внимание, че главата на цилиндъра и нейното уплътнение могат да бъдат маркирани с буквата "R". Тази маркировка ще бъде обсъдена по-подробно при описанието на главата на цилиндъра. Когато купувате уплътнение, не забравяйте да попитате за правилния вариант. И двата центриращи щифта (3) трябва да са разположени в блока на цилиндрите.
Фигура 64. Поставяне на гарнитурата на главата на цилиндъра. 1. Марка на производителя; 2. Език; 3. Центриращи щифтове
Спуснете главата на цилиндъра върху блока на цилиндъра. За тази цел могат да се използват отново двата огънати лоста, споменати по време на демонтажа. Положението на разпределителния вал не играе роля. Поставете цилиндровата глава върху двата центриращи щифта и я почукайте с гумен чук. Последващата работа по монтажа на цилиндровата глава се извършва както върху сваления двигател, така и върху двигателя, монтиран на превозното средство:
- Завъртете разпределителния вал така. така че заключващият щифт да може да се вкара от предната страна на ангренажната ролка на разпределителния вал, както е показано на Фигура 65. Това ще позиционира разпределителния вал в позицията, необходима за монтаж на ангренажния ремък. За да монтирате щифта, преместете зъбната ролка в различни посоки, докато щифтът се монтира.
- Поставете сглобения вал на кобилицата върху главата на цилиндъра, така че центриращите щифтове да влязат, както е показано на Фигура 66. Почукайте добре по вала на кобилицата с гумен чук, така че и четирите лагера да легнат върху центриращите щифтове.
- Смажете резбите и долните страни на болтовете на цилиндровата глава с моторно масло. Завийте и затегнете болтовете на цилиндровата глава на ръка. Болтовете на цилиндровата глава се затягат съгласно диаграмата на Фигура 67, но е необходим транспортир, за да се затегнат болтовете до определен ъгъл. Обикновено за тази работа се използва специален инструмент (Фигура 35), но можете и сами да си направите кръгъл диск и да го разделите на три сектора от по 120°. Тъй като затягането се извършва под ъгъл от 120° или 240°, за затягане могат да се използват един или два сектора.
На двигател с алуминиева цилиндрова глава:
- Затегнете всички болтове в последователността, показана на Фигура 67, до въртящ момент от 20 Nm.
- След като болтовете са затегнати, извадете динамометричния ключ и поставете транспортир върху главата на ключа. Ако използвате домашно приготвен разделителен диск, изрежете квадрат в центъра му, за да поберете удължението на дръжката на гаечния ключ. Поставете удължението с вложката върху главата на гаечния ключ и подравнете "нулата" на транспортира с референтната точка на главата на цилиндъра.
- В последователността на диаграмата на Фигура 67, затегнете всеки болт, докато секторът от 240° на скалата на транспортира съвпадне с референтната точка на главата на цилиндъра.
- След затягане на болтовете по описания начин, последващото им затягане на топъл двигател, както беше при предишните модели двигатели, вече не е необходимо.
На двигател с чугунена цилиндрова глава:
- Затегнете всички болтове в последователността, показана на Фигура 67, до въртящ момент от 20 Nm.
- Методът на затягане на болтовете е различен от този при двигателя с алуминиева цилиндрова глава. Ако се използва домашен разделителен диск, той трябва да бъде разделен на три сектора.
- След като болтовете са затегнати, извадете динамометричния ключ и поставете транспортир върху главата на ключа. В последователността на диаграмата на Фигура 67, затегнете всеки болт, докато секторът от 120° на скалата на транспортира съвпадне с референтната точка на главата на цилиндъра.
- След затягане на болтовете, както е описано, те трябва да се затегнат с още 120° в последователността, показана на Фигура 67. Транспортирът остава в първоначалното си положение и болтовете се затягат, докато секторът от 240° съвпадне, или можете да започнете от нулата и да затегнете болта до маркировката от 120° на скалата.
- След това се монтира зъбният ремък. Моля, обърнете внимание, че за опъване на колана е необходимо специално устройство. Това устройство се състои от лост и тежест. За да настроите ролката в желаното положение, лостът се вкарва в отвора в ролката за опъване на колана и товар се окачва на шнура. Важно е да следвате внимателно инструкциите, тъй като неправилният монтаж на ангренажен ремък може да бъде скъп. Абсолютно необходимо е да се сдобиете с такова устройство. Както бе споменато по време на демонтажа, опитен механик може да настрои опъването на ангренажния ремък с помощта на пружинен баланс, ако опъването на ремъка е било измерено преди демонтажа. Трябва също да прочетете раздел 2.8.4. Той предоставя кратко описание на това как да използвате това устройство, ако можете да го наемете. Когато го използвате, изпълнете работата, както следва:
Огледайте колана отвън и намерете стрелката за посока (вижте Фигура 68). Поставете колана така, че стрелките върху него да сочат посоката на движение на колана. Проверете дали и двата заключващи щифта са поставени и поставете ангренажния ремък, както е показано на Фигура 68. Първо поставете ремъка върху ангренажната ролка на коляновия вал, след това върху ангренажната ролка на разпределителния вал и накрая върху ролката на водната помпа. Накрая коланът се поставя върху ролката за опъване с пръсти, както е показано на фигурата. Проверете зацепването на зъбите на ремъка със зъбите на всички ролки.
Поставете специалното устройство, показано на Фигура 69, в квадратния отвор на опъващата ролка и затегнете гайката в средата на опъващата ролка.
Фигура 65. Поставете заключващия щифт от посочената страна в зъбното колело на разпределителния вал.
Фигура 66. Монтиране на кобиличния вал. Стрелките показват позицията на центриращите щифтове.
Фигура 67. Диаграма за затягане на болтовете на цилиндровата глава за двигател TU (със или без работещи цилиндрови втулки).
- Отстранете заключващите щифтове от ангренажната ролка на разпределителния вал и от задната част на корпуса на двигателя, за да отключите двигателя.
- Завъртете коляновия вал на един оборот. Въртете вала само в посока на работното въртене. Поставете отново щифта в маховика, за да го върнете в първоначалното му положение.
- Разхлабете гайката на обтягащата ролка. Натиснете зъбния ремък с пръст от задната страна, както е показано на Фигура 70.
- В същото време лостът се повдига и остава в това положение. Проверете дали разпределителният вал не се е завъртял и поставете заключващия щифт в отвора на зъбната ролка. Ако щифтът не пасва, зъбната ролка се е завъртяла. Затегнете гайката до 20 Nm и извадете щифта от маховика.
- Завъртете коляновия вал още един оборот надясно до позиция, в която 6 Nm щифтът може да се постави отново.
- Бавно разхлабете гайката на обтягащата ролка. Бързото разхлабване на гайката ще доведе до бързо спадане на натоварването, което означава, че гайката трябва да се разхлабва постепенно. След като спуснете товара до най-долното му положение, затегнете гайката отново с въртящ момент от 20 Nm.
- Поставете отново двата заключващи щифта в маховика и зъбното колело на разпределителния вал, за да проверите времето на газоразпределението, след което извадете щифтовете. След това можете да свалите обтегача на ангренажния ремък.
- Монтирайте корпуса на шайбата на коляновия вал.
- Монтирайте шайбата на ремъка на алтернатора, ако е била свалена без да се сваля целият алтернатор. Затегнете болтовете с въртящ момент от 8 Nm.
- Регулирайте опъването на задвижващия ремък на генератора, като използвате Фигура 71. За да направите това, завъртете болта (1), докато се постигне необходимото опъване. След това затегнете болта и гайката (3) до въртящ момент от 15 Nm, а болта и гайката (2) до въртящ момент от 35 Nm.
- Монтирайте двата капака (4) и (5) (Фигура 72).
- В съответствие с инструкциите в раздел 2.4.5, регулирайте хлабините на клапаните и след това монтирайте маслоотражателната плоча (1), двете дистанционни втулки (2) и капака на главата на цилиндъра (3) (Фигура 72). Монтирайте тръбичката на маслоизмервателната пръчка (6) и я закрепете с болт. Болтовете на капака на цилиндровата глава се затягат с въртящ момент от 5 Nm.
- Всички останали работи се извършват в обратен ред.
2.3.2 Сглобяване на двигатели тип XU10
За да почистите старателно блока на цилиндъра, развийте запушалките на главния смазочен канал, за да промиете отворите. Щепселите са разположени от задната страна (въртящ момент на затягане 48 Nm) и от страната на цилиндровия блок (въртящ момент на затягане (25 Nm). За да развиете свещите, е необходим глух ключ за болтове с шестостенни глави.
Закрепете блока на цилиндрите към монтажна стойка или го поставете върху работна маса (страната на коляновия вал нагоре) и поставете горните лагерни черупки. В този случай трябва да се вземат предвид следните точки:
- Въпреки че лагерните черупки са идентични, те трябва да се монтират в съответствие с маркировките, направени по време на демонтажа.
- От декември 1993 г. хлабината на главния лагер на двигателите XU10 е намалена. Моля, проверете дали тази модификация се отнася за вашия автомобил (двигателите се монтират и на други модели автомобили). Намаляването на хлабината се постига чрез използване на четири различни класа размери на лагерните черупки в лагерните капачки (вместо един-единствен размер). Втулките на цилиндровия блок имат канал за смазване и се предлагат само в един размер. Ако са монтирани селективни лагерни черупки, коляновият вал на място "a" на Фигура 73 е маркиран. Същата маркировка е нанесена на мястото "Ь" върху блока на цилиндрите. Изборът на лагерни втулки обаче не е лесен и изисква квалифициран съвет. Най-добре е да се свържете със сервиз. С въвеждането на нови лагерни черупки, задвижването на маслената помпа също се е променило.
- Смажете обилно поставените лагерни черупки с моторно масло (проверете дали имат канали за смазване). Също така смажете шийките на лагерите на главния и мотовилковия прът с моторно масло и поставете коляновия вал в блока. Завъртете коляновия вал няколко пъти, за да наместите лагерните черупки.
- Поставете полушайби зад втория лагер, за да премахнете аксиалния хлабина на коляновия вал. Страните на шайбите с канали за смазване трябва да са обърнати към бузите на коляновия вал. Това са полушайби без "водещи езичета".
Фигура 68. Поставяне на зъбния ремък. Поставете ремъка върху шайбите по номериран ред. Изрезът показва посоката на движение на зъбния ремък.
Фигура 69. Обтегач на ангренажен ремък, монтиран на опъваща ролка.
Фигура 70. За да преместите лоста с товара в горно положение, натиснете зъбчатия ремък с пръст.
Фигура 71. Регулиране на опъването на задвижващия ремък на алтернатора. 1. Болт за опъване; 2. Монтажен болт; 3. Монтажен болт
Фигура 72. Монтиране на капака на цилиндровата глава. Обяснението на цифровите обозначения е дадено в текста.
Фигура 73. Ако е монтиран модифициран колянов вал, има маркировки на посочените места.
Фигура 74. Монтиране на капачки на лагери. 1. Странични уплътнения; 2. Центриращ щифт; 3. Обърнете внимание на маркировките на капака и лагерната обвивка
Фигура 75. Монтиране на капака на задния основен лагер. Стрелките показват два завинтени шпилки. Две алуминиеви ленти са видими отляво и отдясно.
Фигура 76. Покрийте посочените зони на повърхността на покривната плоча с уплътнителен слой.
Фигура 77. Проверка на аксиалния хлабина на коляновия вал.
Поставете облицовки, които нямат канали за смазване. Поставете двете останали полушайби близо до втория лагер. "Водещите езичета" трябва да паснат в изрезите (Фигура 53).
Поставете капачките на лагерите в съответствие с маркировките и започнете работа. Първо монтирайте капачки на лагери 1, 2, 3 и 4 и ги затегнете леко. В долната част на капаците има центриращи щифтове, които би трябвало да паснат перфектно (Фигура 74).
Капачката на лагера на маховика има странични уплътнения, които са видими на Фигура 74. Сервизните станции използват специален инструмент за монтаж на уплътненията. Уплътненията могат да бъдат монтирани по следния начин:
- Поставете двете уплътнителни вложки в капака на лагера с уплътнителните канали навън, така че да стърчат от долната страна с приблизително 0,2 мм. Смажете обилно уплътнителните вложки и капака на лагера с моторно масло и поставете вложките на лагера в капака.
- Вместо болтовете на капака на лагера, завийте два шпилки с отвор за отвертка в края, съгласно Фигура 75, покрийте местата, посочени на Фигура 76, с уплътнителен слой и монтирайте капака на лагера. Поставете две ленти от алуминиево фолио между уплътнителните втулки и блока на цилиндъра и внимателно почукайте капака на лагера. Постоянно проверявайте дали уплътнителните вложки не са се преместили.
- Отстранете алуминиевото фолио и развийте шпилките, след което затегнете болтовете на капака на лагера. След това затегнете равномерно болтовете на капаците на лагерите отвътре навън до въртящ момент от 70 Nm. След затягане на болтовете, завъртете коляновия вал няколко пъти (чрез завинтване на два болта във фланеца и поставяне на метален прът между болтовете). Ако коляновият вал е леко заседнал, почукайте по капачките на лагерите.
- С остър нож отрежете издатините на двете уплътнителни вложки наравно с повърхността на блока.
- След това се измерва аксиалният луфт на коляновия вал. За да направите това, монтирайте индикатора с часовников механизъм, както е показано на Фигура 77, като опирате измервателната сонда върху фланеца на коляновия вал и движите коляновия вал в двете посоки с дръжката на чук. Показанието на индикатора не трябва да надвишава 0,07–0,32 мм. Ако е необходимо, сменете шайбите на втория лагер с по-големи шайби. Предлагат се шайби с различни увеличени размери (1,95, 2,00 и 2,05 мм).
- Натиснете семеринга на маслото от задната страна, без да го повредите.
- Монтирайте буталата и мотовилките, следвайки инструкциите в съответния раздел.
- Монтирайте маховика. Не забравяйте да монтирате нови болтове за монтаж на маховика. Монтажното положение на маховика се определя от центриращия щифт в края на коляновия вал. Първо проверете дали щепселът е завинтен в блока на цилиндъра (въртящ момент на затягане 48 Nm). Затегнете равномерно и напречно болтовете за монтаж на маховика с въртящ момент от 50 Nm. Докато правите това, дръжте коляновия вал да не се върти. Поставете малка пластина с ново уплътнение върху маховика и затегнете двата болта (6 nm).
- Проверете биенето на маховика след монтажа. За измерване, монтирайте индикатора с часовников механизъм, както е показано на Фигура 77. Измервателната сонда е монтирана върху повърхността на маховика. Когато завъртате маховика/коляновия вал, наблюдавайте показанията на скалата на индикатора. Показанието на индикатора не трябва да надвишава 0,06 мм на оборот. По-високите показания могат да бъдат причинени от чужди предмети, попаднали между маховика и коляновия вал.
- Ако опорният щифт на обтегача на ремъка е бил отстранен, смажете резбованата част с фиксираща паста и затегнете щифта в главата на цилиндъра с въртящ момент от 16 Nm. Монтирайте обтегача на ремъка и затегнете болта на ръка. На 16-клапанов двигател монтирайте и втори обтегач на ремъка.
- Монтирайте маслената помпа от другата страна на цилиндровия блок. Зъбното колело се монтира заедно със задвижващата верига в съответствие с Фигура 51. Не забравяйте да поставите дистанционна плоча между помпата и блока на цилиндрите. Затегнете трите болта с въртящ момент от 13 Nm. Трите болта са с различна дължина. Най-дългият болт (дължина 80 мм) се поставя от дясната страна, а най-късият (65 мм) се поставя от лявата страна. Третият болт е с дължина 70 nm.
Фигура 78. Монтиране на предния капак. Покрийте повърхността на блока на цилиндъра с уплътнителна смес.
- Монтирайте предния капак по начина, показан на Фигура 78. Предварително покрийте повърхността на блока на цилиндъра с уплътнителен слой (Forma Joint). Поставете два болта с дължина 40 мм отдолу и два болта с дължина 20 мм отгоре. Затегнете болтовете с въртящ момент от 16 Nm.
- Натиснете предното семерингово уплътнение в капака. Уплътнението има малък резервоар за масло, който трябва да бъде монтиран в правилната позиция. Уплътнението има маркировка от външната страна, както е показано на позиция (2) на Фигура 79. Позиционирайте уплътнението така, че маркировката да е разположена срещу шийката в капака. Смажете уплътнителните ръбове на семеринга и външната му страна с моторно масло и забийте семеринга с помощта на парче тръба с подходящ диаметър.
Фигура 79. Монтиране на предния семеринг на коляновия вал (1). Маркировката (2) трябва да е разположена в една линия с шийката.
След това е необходимо да се монтира картерът за масло. Има два възможни варианта:
- Ако превозното средство е оборудвано с климатик, покрийте контактната повърхност с уплътнител (Auto Joint) и монтирайте картера на маслото. Закрепете картера съгласно Фигура 80. Обърнете внимание на местоположението на отделните болтове. Затегнете всички болтове с въртящ момент от 16 Nm.
Фигура 80. Закрепване на картера на превозно средство с климатик. 1. Болтове с дължина 22 мм (19 броя); 2. Болтове с дължина 40 мм (2 броя); 3. Болтове с дължина 20 мм (2 броя)
- Когато монтирате конвенционален картер, поставете ново уплътнение на картера и нанесете паста върху повърхността на блока на цилиндъра. Болтовете са затегнати с въртящ момент от 16 Nm, но дължината на болтовете не е еднаква. Двата централни болта от тесните страни на картера и централният болт от дългата страна са с дължина 16 мм. Останалите болтове са с дължина 20 мм. Внимавайте да не объркате болтовете.
- Поставете ново уплътнение на блока на цилиндрите и затегнете водния маркуч с въртящ момент от 18 Nm (2 болта).
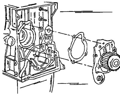
- Монтирайте ново уплътнение на водната помпа, монтирайте помпата и затегнете 5-те болта с въртящ момент от 15 Nm. Поставете обратно тапата срещу водната помпа и я затегнете с въртящ момент от 48 Nm. След отстраняване тапата трябва да се смени.
- Монтирайте скобата за окачване на двигателя. Скобата е закрепена с 5 болта с въртящ момент на затягане 60 Nm. Намажете резбите на болтовете с паста за заключване Frenbloc.
- Завийте сензора за налягане на маслото (25 Nm) или щепсела (32 Nm) от другата страна на цилиндровия блок. Щепселът над сензора/щепсела се затяга с въртящ момент от 25 Nm.
- Смажете уплътнението на новия маслен филтър с моторно масло и завийте филтъра в двигателя, докато прилепне плътно. От това положение затегнете филтъра ръчно с още три четвърти оборот.
- Монтирайте цилиндровата глава съгласно инструкциите, дадени за 8- или 16-клапанов двигател XU10 или за двигател XU7.
- При 8-клапанов двигател и при двигател тип XU7, настройте хлабините на клапаните в съответствие с инструкциите, дадени по-долу. За изложбата, на разпределителния вал трябва да се постави зъбна ролка (да завърти разпределителния вал) и след изложбата е премахната отново.
- Смажете външните и уплътнителните ръбове на новото семерингово уплътнение с моторно масло и натиснете новото семерингово уплътнение в главата на цилиндъра. В този случай използвайте парче тръба с подходящ диаметър. След като монтирате масления уплътнител, поставете зъбната ролка върху разпределителния вал и я закрепете с болт и шайба. Затегнете болта с въртящ момент от 35 Nm. Зъбчатата ролка трябва да се държи на място, както е показано на Фигура 81.
Фигура 81. Задържане на разпределителния вал от включване на двигател XU10. 1. Ангренажна ролка на разпределителния вал; 2. Болт; 3. Заключващо устройство
- Монтирайте и опънете ангренажния ремък, следвайки инструкциите в съответния раздел за конкретния тип двигател. Моля, обърнете внимание, че това изисква заключващи щифтове за заключване на коляновия вал и ангренажната ролка (8-клапанов двигател) или зъбни ролки (16-клапанов двигател). Освен това е необходимо специално устройство за опъване на зъбния ремък.
- Закрепете тръбата на системата за смазване към средата на главата на цилиндъра и поставете капака на главата на цилиндъра. Болтовете са разположени на местата, показани на Фигура 47, и са затегнати с въртящ момент от 10 Nm. Затегнете свещите (18 Nm).
- Монтирайте нови уплътнения на изпускателния колектор и затегнете 8-те гайки на кръст с въртящ момент от 35 Nm.
- Намажете края на тръбичката на маслоизмервателната пръчка с фиксираща паста Frenbloc и поставете тръбичката в блока на цилиндъра. Затегнете болта в горния край до 10 Nm.
- Монтирайте тръбата на всмукателния колектор от другата страна с ново уплътнение. Затегнете две гайки с въртящ момент на затягане от 30 Nm и четири болта с въртящ момент на затягане от 22 Nm.
Фигура 82. Части на корпуса на термостата. Три температурни сензора се затягат с въртящ момент от 18 Nm.
- Корпусът на термостата има частите, показани на Фигура 82. Сменете О-пръстените и уплътнителната шайба на горния болт (с глава с вътрешен шестоъгълник). Затегнете трите температурни сензора с въртящ момент от 18 Nm, както и двата болта на капака на корпуса.
- Монтирайте сглобения корпус на термостата върху главата на цилиндъра в края на разпределителния вал. Покрийте контактната повърхност на главата на цилиндъра и корпуса на термостата с уплътнителна смес (Forma Joint). Затегнете болтовете равномерно до въртящ момент на затягане от 13 Nm, като същевременно спазвате разположението на болтовете;
- Един болт е разположен от вътрешната страна на корпуса.
- Три болта са с дължина 40 мм и са разположени около отвора на корпуса (където се вижда краят на разпределителния вал).
- Единият болт е дълъг 55 мм и се намира долу вдясно.
- Единият болт е дълъг 75 мм и се намира от лявата страна. За да избегнете грешки, изучете Фигура 83.
Фигура 83. Закрепване на корпуса на разпределителното задвижване. 1. = 13 нм; 2. =13 nm, 40 mm; 3. = 13 nm, 55 mm; 4. = 13 nm, 75 mm
- Монтирайте разпределителя на запалването в съответствие с маркировките, направени по време на демонтажа. Трябва да бъде поставено ново о-пръстен кръгло сечение. Поставете вакуумен маркуч върху фитинга на разпределителя, свържете по-голям маркуч под него и свържете друг маркуч малко вляво. Монтирайте водача на кабела на свещта и поставете капачката на разпределителя. Затегнете двата болта (15 Nm).
2.3.3 Двигатели тип XU7
- Предполага се, че цилиндровите втулки вече са измерени, както е описано в раздел 2.3.1 за двигатели тип TU.
- Сглобете буталата и мотовилките, както е описано в раздел 2.5.3.
- Монтирайте буталата в цилиндровите втулки, както е описано в раздел 2.5.3.
- Поставете цилиндровите втулки в цилиндровия блок в съответствие с маркировките за номера на цилиндрите, направени след измерване на издатините на втулките, и натиснете здраво втулките надолу.
- Закрепете всички работни втулки със скоби. При никакви обстоятелства не трябва да се допуска цилиндровите втулки или буталата да падат от отворите на цилиндрите, когато двигателят се върти.
- Поставете черупките на лагерите на мотовилките в мотовилките според маркировките (при инсталиране на предишните части). Водещите езичета на лагерните черупки трябва да паснат в изрезите в отворите на мотовилките.
- Поставете основните лагерни черупки със смазочни канали в отворите. Водещите езичета трябва да паснат в изрезите на отворите за лагери. Трябва да се има предвид, че някои лагерни втулки имат канали за смазване, докато други не. За да избегнете грешки, е по-добре да етикетирате вложките. Осигурете правилния монтаж на лагерните черупки.
- Поставете дистанционните шайби в лагер № 2 (лагер № 1 е разположен от страната на съединителя) с плъзгащата се страна, обърната към коляновия вал.
- Смажете обилно лагерните черупки с моторно масло и поставете коляновия вал в черупките. За смазване използвайте масленка и втрийте маслото с пръсти. Не използвайте четка за това.
- Поставете нови странични уплътнителни пръстени в капачката на лагера № 1. Монтирайте капачката с обилно смажени лагерни черупки. В този случай страничните уплътнения могат да се изместят. За да избегнете това, можете да поставите два луфтомера между уплътненията и картера на двигателя и след това да монтирате капака. След това издърпайте сондите.
- Монтирайте обратно останалите капачки на лагери с поставените втулки (дистанционните шайби в капачка на лагер №2) в оригиналните им позиции. Капачките на лагерите са номерирани и ушицата трябва да е обърната към задвижващия механизъм на ангренажа.
Фигура 84. При монтажа на показаните части, уверете се в правилната ориентация на буталата и мотовилките. 1. Маркирайте върху мотовилката и върху капачката на лагера; 2. Жлебове на капачките на лагерите
Фигура 85. Измерване на аксиалния луфт на коляновия вал.
Затегнете болтовете на капака на главния лагер последователно до посочения въртящ момент.
След това заварете аксиалния луфт на коляновия вал, както следва:
- Монтирайте индикаторен часовник на подходяща стойка в предната част на двигателя и прикрепете измервателната сонда към вдлъбнатината на коляновия вал, както е показано на Фигура 85. Ако индикаторният часовник има стойка с магнит, стойката може да се монтира на вала, а измервателната сонда може да се прикрепи към шлифованата повърхност на блока.
- Натиснете коляновия вал с отвертка в едната посока и нулирайте скалата на индикатора.
- Натиснете коляновия вал в другата посока и прочетете показанието от скалата на индикатора. Стойността трябва да бъде в диапазона от 0,07 - 0,27 мм.
- Ако аксиалният луфт надвишава зададения толеранс, трябва да се монтират две по-големи полушайби. И двете шайби трябва да са с еднаква дебелина. В допълнение към стандартния размер 2,30 мм, се предлагат и по-големи шайби: 2,35, 2,40, 2,45 и 2,50 мм. Важно е да монтирате и двете шайби с еднаква дебелина, за да предотвратите изместването на коляновия вал на едната страна.
- Проверете доколко уплътненията на капака на лагера № 1 стърчат над повърхността на блока на цилиндъра. Ако стърчат повече от 2,0 мм, те трябва да бъдат съответно подрязани с остър нож.
- Монтирайте капачките на лагерите на мотовилките заедно с втулките. При повторен монтаж се уверете, че лагерните черупки са монтирани заедно със съответните мотовилки. Номерата на цилиндрите, поставени по време на демонтажа, трябва да са разположени от една и съща страна.
- Затегнете гайките на лагерите на мотовилките последователно. Затегнете гайките на всяка свързваща щанга последователно до посочения въртящ момент на затягане. В този случай свързващите пръти са монтирани по двойки в долната мъртва точка. След това завъртете коляновия вал и монтирайте другите два лагера на мотовилките.
- Монтирайте лагерния щит с ново уплътнение от страната на съединителя. Натиснете уплътнението с помощта на пръчка с подходящ диаметър.
- Монтирайте зъбното колело на задвижването на маслената помпа върху коляновия вал с поставените ключ и верига.
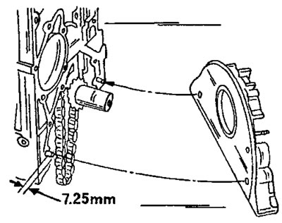
- Монтирайте лагерния щит от страната на задвижването на ангренажния механизъм. Двете центриращи втулки трябва да са разположени в блока на цилиндрите и да стърчат 7,25 мм, както е показано на Фигура 86. Покрийте повърхността на щита с уплътнител Loctite. Двата горни монтажни болта са по-къси от останалите болтове. Затегнете болтовете с въртящ момент от 16 Nm. С помощта на прът с подходящ диаметър внимателно притиснете уплътнението на маслото наравно с външната повърхност на щита.
Фигура 86. Монтиране на предния лагерен щит. Обърнете внимание на правилните издатини на центриращите щифтове. Покрийте повърхността, обозначена със стрелката надясно, с уплътнителен слой.
- Когато монтирате маслената помпа, поставете задвижващата верига върху зъбното колело на маслената помпа, монтирайте маслената помпа и поставете дистанционни пластини между помпата и блока на цилиндрите. Монтажът на маслената помпа е показан на Фигура 87. Затегнете монтажните болтове. Двата леви болта се затягат с въртящ момент от 19 Nm, а двата десни болта с въртящ момент от 13 Nm. Тъй като задвижващата верига е разположена отпред, трябва да погледнете в отворения картер на двигателя.
- Монтирайте картера с ново уплътнение.
- Монтирайте тръбата за засмукване на масло с ново уплътнение. Затегнете трите болта до 4-5 Nm.
- Монтирайте маховика. Намажете резбите на новите болтове с течен заключващ препарат Loctite. Когато затягате болтовете, заключете маховика, за да предотвратите въртене, и затегнете болтовете до 50 Nm.
- Монтирайте задвижвания диск и водещия диск на съединителя и подравнете диска с центриращия вал. Поставете монтажните болтове и ги затегнете равномерно по обиколката с въртящ момент от 22 Nm.
- Монтирайте разклонителната кутия с ново уплътнение. Затегнете двата болта с въртящ момент от 16 Nm. Монтирайте свещта с ново уплътнение и затегнете с въртящ момент от 20 Nm.
- Монтирайте водната помпа с ново уплътнение (Фигура 88) и затегнете петте болта с въртящ момент от 15 Nm.
Фигура 87. Монтиране на маслената помпа. Поставете дистанционните пластини, както е показано.
Фигура 88. Монтиране на водната помпа.
- Завийте ролката за опъване на ангренажния ремък.
- Проверете прилягането на двете центриращи втулки на цилиндровия блок.
- Поставете несмазаното уплътнение на главата на цилиндъра с маркировката, разположена отзад вляво, обърната нагоре.
- Монтирайте главата на цилиндъра в съответствие със съответните раздели. Следвайте съответните инструкции и затегнете болтовете на главата на цилиндъра.
- Регулиране на хлабините на клапаните (раздел 2.4.5).
- Завийте два температурни превключвателя в корпуса на термостата и ги затегнете с въртящ момент от 18 Nm.
- Монтирайте термостата с две нови уплътнения и фитинга в корпуса на термостата.
- Монтирайте сглобения корпус на термостата върху главата на цилиндъра.
- Свалете временно монтираната зъбна ролка на разпределителния вал за регулиране на хлабините на клапаните, натиснете уплътнението на маслото с пръчка с подходящ диаметър и монтирайте капака.
- Монтирайте ангренажната ролка на разпределителния вал. В този случай разпределителният вал трябва да се задържи от завъртане по описания по-горе начин.
Фигура 89. Задържане на ремъчната шайба при затягане на болта. Не използвайте заключващия щифт (стрелка).
- Поставете коляновия и разпределителния вал в първоначалното им положение за регулиране и монтирайте ангренажния ремък, както вече е описано за този тип двигател.
- Монтирайте шайбата на коляновия вал. Когато затягате монтажния болт, заключете ремъчната шайба с огънат гаечен ключ, както е показано на Фигура 89, но в никакъв случай не с фиксиращия щифт, обозначен със стрелката.
- Всички останали работи се извършват в обратен ред. Болтът на зъбчатата ролка на коляновия вал се затяга с въртящ момент от 110 Nm.
